EasyManua.ls Logo

Sym Jet 50 - Page 140

Sym Jet 50
161 pages
Print Icon
To Next Page IconTo Next Page
To Next Page IconTo Next Page
To Previous Page IconTo Previous Page
To Previous Page IconTo Previous Page
Loading...
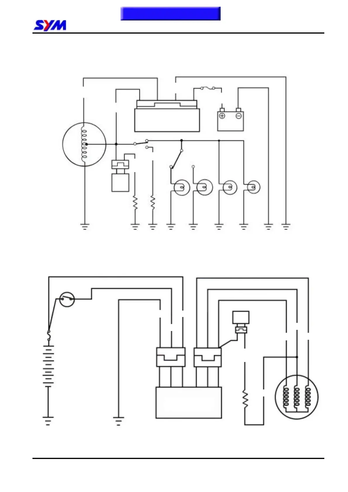
15. ELECTRICAL EQUIPMENT
15-5
Charging System
JET 50 / JET 100
JET EURO 50 / JET EURO 100
AC. Generator
Auto by- starter
Regulator rectifier
Main Switch
Fuse 15A
Battery
Green
Red
Black
Yellow
Yellow
Yellow Yellow
White
Yellow
Green
Red
Resistor 10.2 5W
Resistor 5.9 30W
Green/
Black
Pink
Green/
Black
Resistor 8 5W
Auto by- starter
AC. Generator
This chapter Contents

Table of Contents

Related product manuals