EasyManua.ls Logo

Sym Jet 50 - Electrical Diagrams; JET 50 Electrical Diagram

Sym Jet 50
161 pages
Print Icon
To Next Page IconTo Next Page
To Next Page IconTo Next Page
To Previous Page IconTo Previous Page
To Previous Page IconTo Previous Page
Loading...
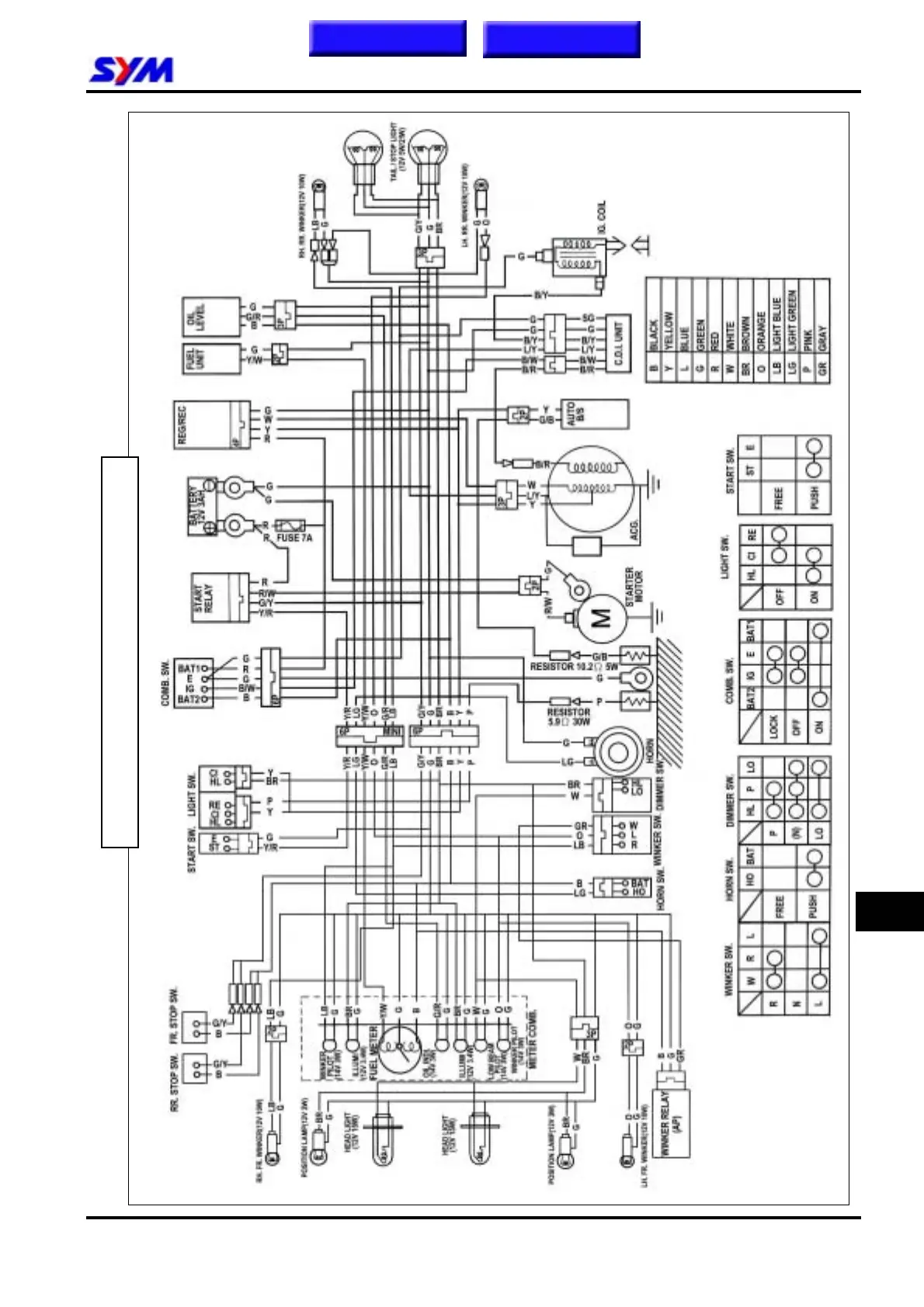
16. ELECTRICAL DIAGRAM
16-1
JET 50 ELECTRICAL DIAGRAM
16
Home page
Contents

Table of Contents

Related product manuals