EasyManua.ls Logo

SYNAPTICON SOMANET Node Series - Safety PLC PM (Plus-Minus Output) + Drives

Default Icon
60 pages
Print Icon
To Next Page IconTo Next Page
To Next Page IconTo Next Page
To Previous Page IconTo Previous Page
To Previous Page IconTo Previous Page
Loading...
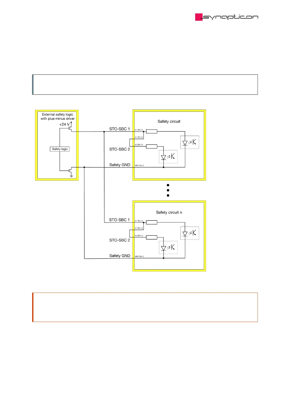
1.5.6.3.2 Safety PLC PM (Plus-Minus output) + drives
Allows safety functions up to SIL 3, PL e, cat.3.
Note
Note
Safety GND functions as a secondary line when a PLC with Plus-Minus output is used.
Safety GND functions as a secondary line when a PLC with Plus-Minus output is used.
Attention
Attention
In case of multiple drive connection, ensure that the output driver has sufficient current driving
In case of multiple drive connection, ensure that the output driver has sufficient current driving
capability.
capability.
Hardware Manuals / SOMANET Node / SOMANET Node rev. E.1
© 2020 Synapticon GmbH | Daimlerstraße 26 | D-71101 Schönaich Documentation v 3.2.0 | Build: 2020-05-25 46/60

Table of Contents

Other manuals for SYNAPTICON SOMANET Node Series

Related product manuals