EasyManua.ls Logo

System Cleaners MS5 - Page 34

System Cleaners MS5
48 pages
Print Icon
To Next Page IconTo Next Page
To Next Page IconTo Next Page
To Previous Page IconTo Previous Page
To Previous Page IconTo Previous Page
Loading...
Version 9 (02.2018. EN) (MS5, MS7, PS1, PS3, PS5, PS7)
Page 34 of 48
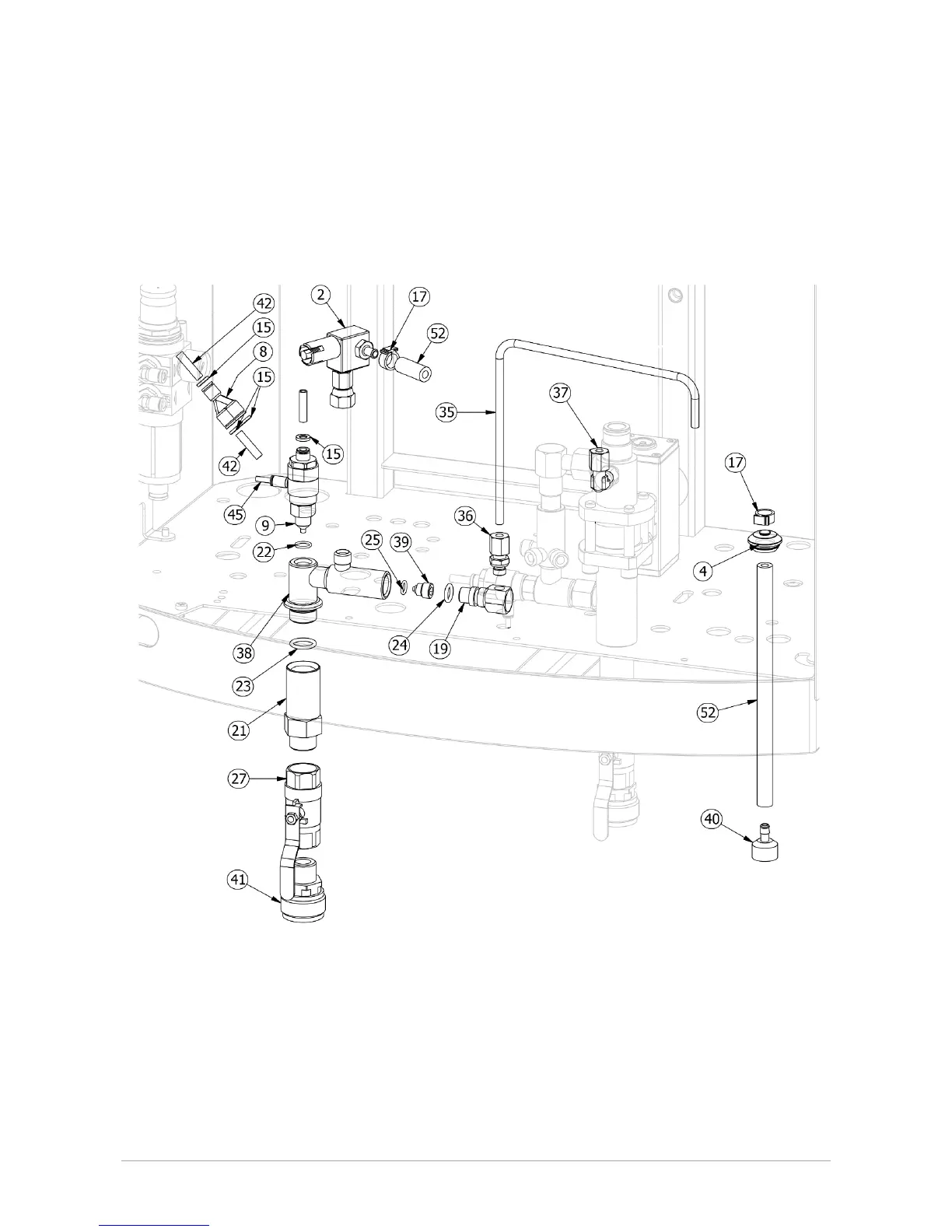
Separate F- injector

Related product manuals