EasyManua.ls Logo

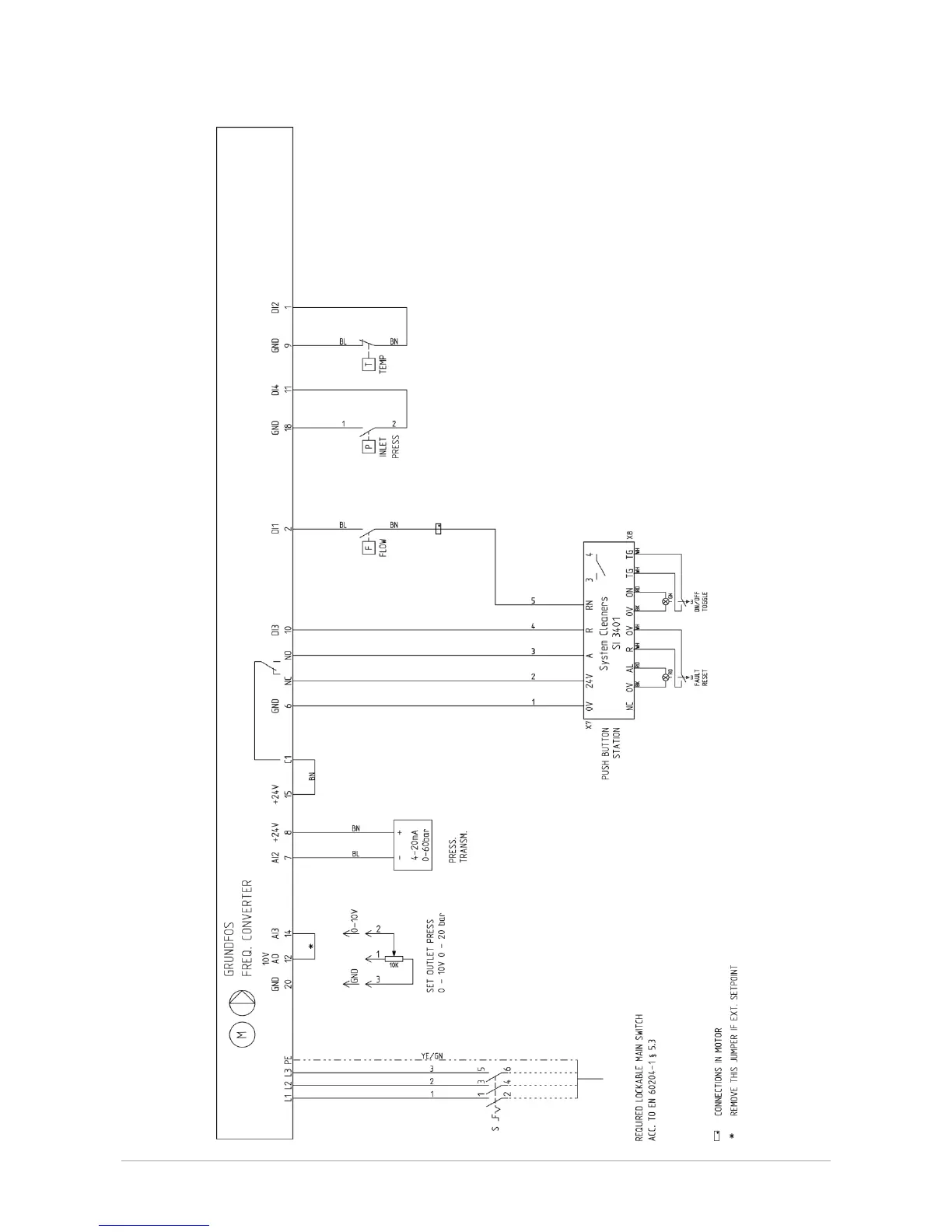
System Cleaners MS5 - System Wiring Diagram; Electrical Component Connection Layout

System Cleaners MS5
48 pages
Print Icon
To Next Page IconTo Next Page
To Next Page IconTo Next Page
To Previous Page IconTo Previous Page
To Previous Page IconTo Previous Page
Loading...
Version 9 (02.2018. EN) (MS5, MS7, PS1, PS3, PS5, PS7)
Page 47 of 48
Wiring diagram

Related product manuals