EasyManua.ls Logo

System Sensor BEAM1224 - Wiring Diagrams and Connections

System Sensor BEAM1224
18 pages
Print Icon
To Next Page IconTo Next Page
To Next Page IconTo Next Page
To Previous Page IconTo Previous Page
To Previous Page IconTo Previous Page
Loading...
D400-73-00 7 I56-2294-03R
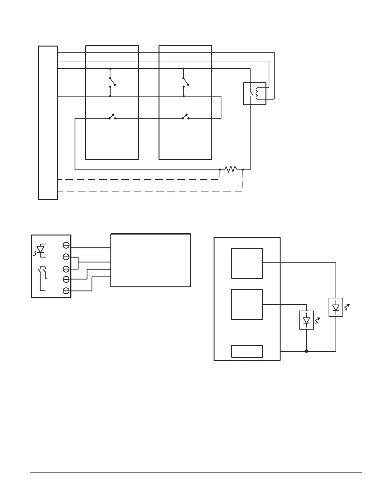
Figure 7. Wiring Diagram
BEAM1224
LISTED PANEL
EOL
RESISTOR
Class
A
Return
Loop
T1-1
Power+
Initiating+
Initiating–
Power–
Power IN+
Power IN–
Alarm COM
Tr
ouble COM
Alarm NO
Power OUT+
Power OUT–
Alarm COM
Trouble NC
Alarm NO
T1-2
T4-2
T4-1
T3-2
T1-3
T1-4
T4-4
T4-3
T3-1
T2-2
T2-1
T3-3
T2-3
T2-4
AUX (–)
Remote Alarm Output
Remote Trouble Output
Test Input
Reset Input
BEAM1224
T1-1
Power IN+
Power IN–
Alarm COM
Tr
ouble COM
Alarm NO
Power OUT+
Power OUT
Alarm COM
Trouble NC
Alarm NO
T1-2
T4-2
T4-1
T3-2
T1-3
T1-4
T4-4
T4-3
T3-1
T2-2
T2-1
T3-3
T2-3
T2-4
AUX (–)
Remote Alarm Output
Remote Trouble Output
Te
st Input
Reset Input
Listed EOL Power
Supervision Module
(Only required if other
sensors are on the
same loop)
C0272-00
Figure 8. Wiring Diagram (RTS451)
RTS451/KEY
BEAM1224
Pin 1
Remote Alarm Out
T2-1
T2-2
T2-4
T2-3
AUX (–)
Reset Input
Test Input
See RTS451/KEY Installation Instructions
for electrical ratings of RTS451/KEY.
Pin 2
Pin 4
Pin 3
Pin 5
C0273-00
Figure 9. Wiring Diagram (Remote LEDs)
BEAM1224/S
Alarm
Signal
Circuit
(Note 1)
T2-1
T3-3
T2-2
Yellow
Note 1: See electrical ratings section of this
manual for circuit output ratings.
Red
Trouble
Signal
Circuit
(Note 1)
C0319-01
box be sure to leave enough wire in the box to connect to the
terminal blocks. (Approximately 9 [23cm) of wire outside of
the junction box will be required for proper installation). All
wiring to the detector is done via pluggable terminal blocks.
In order to properly make electrical connections strip approxi-
mately
1
/
4
(6mm) of insulation from the end of the wire, slid-
ing the bare end of the wire under the clamping plate screw.
Figure 6 shows all the wiring connections to the transmitter/
receiver unit. Figure 7 shows the proper wiring diagram for
either class A or class B operation. Figure 8 shows the con-
nections that are necessary when using one of the optional
remote test stations (RTS451 or RTS451KEY). Figure 9 shows
the remote outputs for trouble and alarm.

Related product manuals