EasyManua.ls Logo

Taco 0034ePlus - Page 3

Taco 0034ePlus
16 pages
Print Icon
To Next Page IconTo Next Page
To Next Page IconTo Next Page
To Previous Page IconTo Previous Page
To Previous Page IconTo Previous Page
Loading...
-3-
F
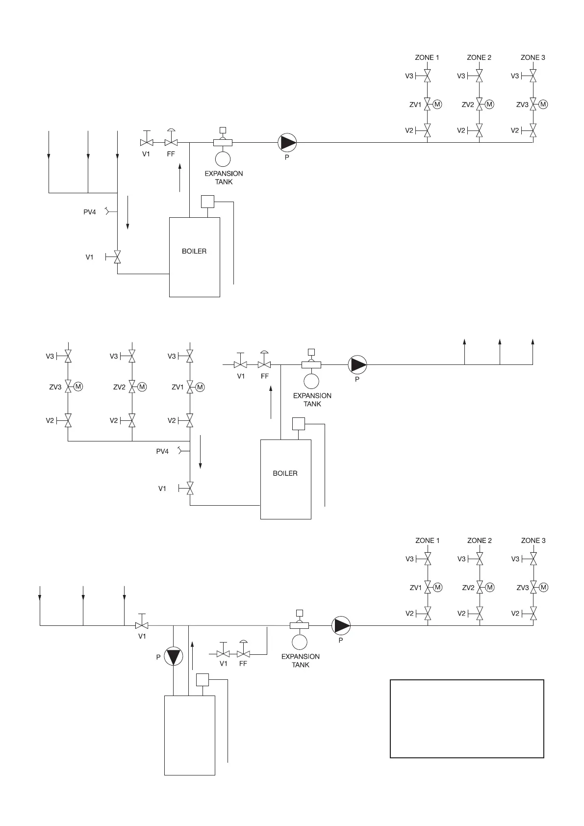
PREFERRED PIPING FOR ZONE VALVES ON BOILER SUPPLY
KEY:
VI, V2, V3 = SHUT-OFF ISOLATION VALVE
P = TACO 0034ePLUS CIRCULATOR
FF = FAST FILL BOILER FEED VALVE
PV4 = PURGE VALVE
ZV = ZONE VALVE
PREFERRED PRIMARY / SECONDARY PIPING FOR ZONE VALVES ON BOILER SUPPLY
ALTERNATE PIPING FOR ZONE VALVES ON BOILER RETURN
igure 3:
MOD CON
BOILER
ZONE 1 ZONE 2 ZONE 3
ZONE 1 ZONE 2 ZONE 3
ZONE 1 ZONE 2 ZONE 3
ZONE 1 ZONE 2 ZONE 3
Figure 3
PREFERRED PIPING FOR ZONE VALVES ON BOILER SUPPLY
ALTERNATE PIPING FOR ZONE VALVES ON BOILER RETURN
PREFERRED PRIMARY / SECONDARY PIPING FOR ZONE VALVES ON BOILER SUPPLY

Related product manuals