EasyManua.ls Logo

Taco SR501 - Page 84

Default Icon
104 pages
Print Icon
To Next Page IconTo Next Page
To Next Page IconTo Next Page
To Previous Page IconTo Previous Page
To Previous Page IconTo Previous Page
Loading...
82
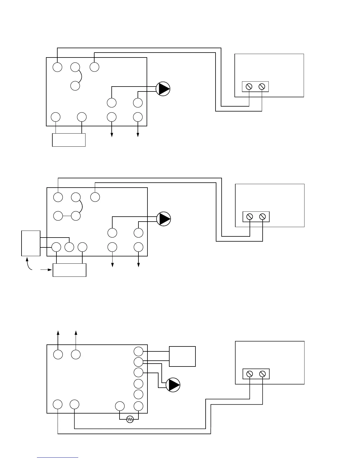
Aquastat Wiring
TV W
T
L1
(HOT)
L2
(NEUTRAL)
CIRCULATOR
ON BOILER
(IF ATTACHED)
L1
C2
L2
TACO
ZONE
CONTROL
HONEYWELL L8148E OR EQUAL
120 VAC
INPUT
C1
LOW VOLTAGE
GAS VALVE
END SWITCH
B1 B2
Z
TV W
T
L1
(HOT)
L2
(NEUTRAL)
CIRCULATOR
ON BOILER
(IF ATTACHED)
L1
C2
L2
TACO
ZONE
CONTROL
HONEYWELL L8148J OR EQUAL
120 VAC
INPUT
C1
LOW VOLTAGE
GAS VALVE
END SWITCH
B1 B3
ZTP
B2
MILLI-
VOLTAGE
GAS
VALVE
OR
L1 L2
B2
C2
B1
L1
(HOT)
L2
(NEUTRAL)
OIL BURNER
AND
IGNITION
CIRCULATOR
ON BOILER
(IF ATTACHED)
T T
FF
TACO
ZONE
CONTROL
HONEYWELL L8182D OR EQUAL
120 VAC
INPUT
ZC
ZR
END SWITCH
C1
CAD CELL

Table of Contents

Related product manuals