EasyManua.ls Logo

Taco SR503 - Vac Input; Vac

Default Icon
104 pages
Print Icon
To Next Page IconTo Next Page
To Next Page IconTo Next Page
To Previous Page IconTo Previous Page
To Previous Page IconTo Previous Page
Loading...
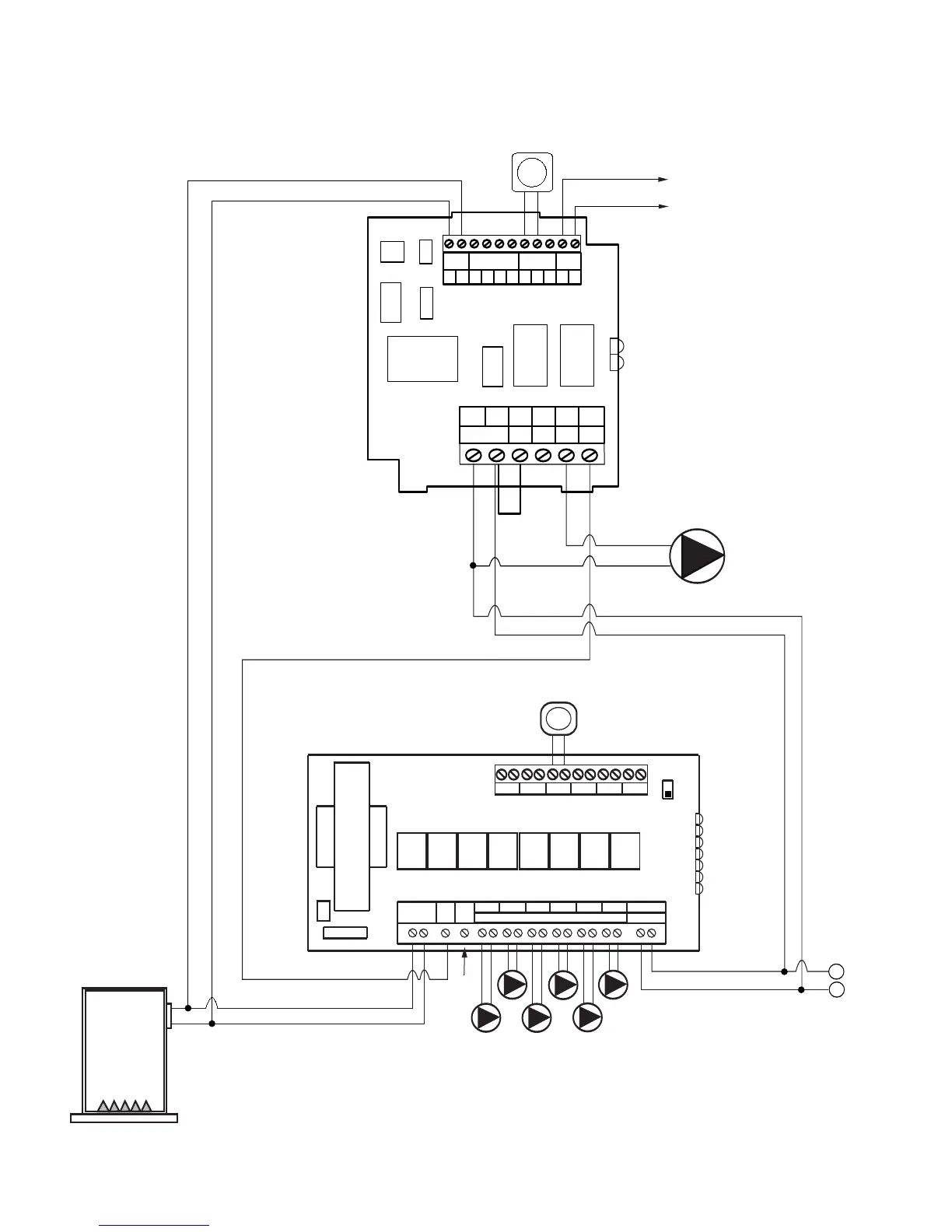
SR501-EXP Switching Relay Controlling Another SR504/506 Switching Relay
SIX ZONE SWITCHING RELAY
WITH OPTIONAL PRIORITY
ZONE 6
ON
OFF
PRIORITY
120V RELAY
120 VOLT CIRCULATORS
ZC ZR
X X
END
SWITCH
POWER
INPUT
120 VAC INPUT
TO: "TT" ON BOILER
ZONE1
ZONE2
ZONE3
ZONE4 ZONE5 ZONE6
ZONE1
ZONE2
ZONE3
ZONE4
ZONE5
ZONE6
FUSE 1 AMP
24 VAC
POWER
SR 506
ZONE 2
POWER
ZONE 1
ZONE 3
ZONE 4
ZONE 5
ZONE 6
THERMOSTATS
BOILER
H
N
MASTER
SLAVE
T
REMOVE
JUMPER
PRIORITY
OFF
DHW CIRCULATOR
POWER
T STAT
TO: "TT" ON BOILER
AQUASTAT ON
DHW HEATER
NZCZRHHH
POWER
INPUT
120VAC
INPUT
120VAC
OUTPUT
CIRC
OUTPUT
PRIORITY
OUTPUT
RESET
POWER
CONTROLS
FUSE
1 AMP
NORMAL
MASTER
SLAVE
END
SWITCH
ZONE
VALVE
THERMOSTATEXPANSION
X
COM
T/W
T/R
X1 12243
JUMPER
TO: OPTIONAL ZONE VALVE
OR iSeries MIXING VALVE
MODE
FUSE
5 AMP
SR 501-EXP
A
12

Table of Contents

Related product manuals