EasyManua.ls Logo

Taco SR504 - ZVC403;405 with System Pump

Default Icon
104 pages
Print Icon
To Next Page IconTo Next Page
To Next Page IconTo Next Page
To Previous Page IconTo Previous Page
To Previous Page IconTo Previous Page
Loading...
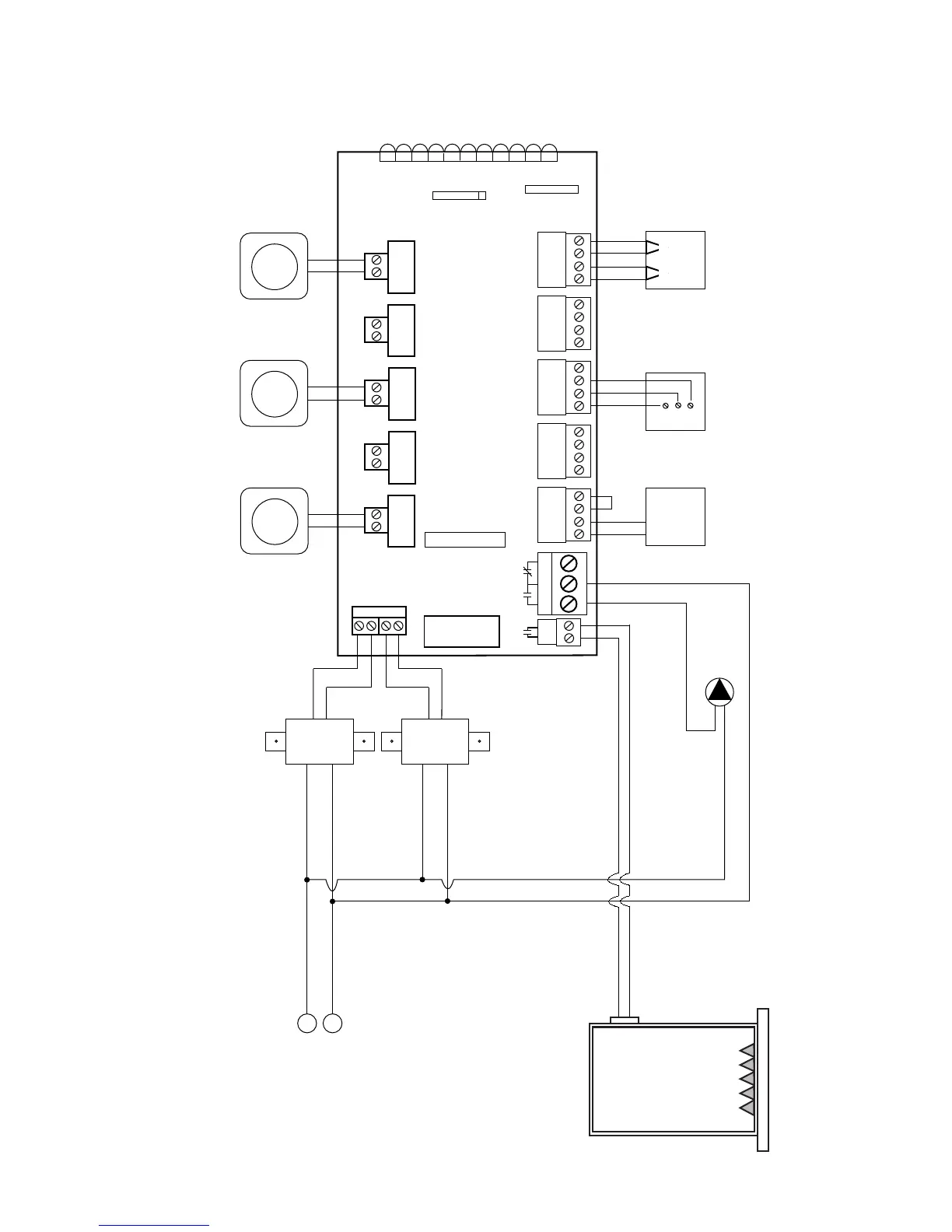
24 VAC
ZONE 1 ZONE 2 ZONE 3 ZONE 4 ZONE 5
FUSE (5 AMP MAX)
TT
TT TT TT TT
ZVC 405
1234 12 34 12 34 1234 1234
ZONE 1 ZONE 2 ZONE 3 ZONE 4 ZONE 5
2 WIRE ZONE VALVE
(NO END SWITCH)
JUMPER
3 & 4
TACO
3 WIRE ZONE VALVE
1
2
3
MOTOR
END
SWITCH
THERMOSTAT
THERMOSTAT
THERMOSTAT
4 WIRE ZONE VALVE
(POWER OPEN, SELF CLOSING)
T STAT 1
VALVE 1
T STAT 2
VALVE 2
T STAT 3
VALVE 3
T STAT 4
VALVE 4
T STAT 5
VALVE 5
POWER
FIVE ZONE ZONE VALVE CONTROL
24 VAC
FACTORY
INSTALLED
TRANSFORMER
120 VAC
INPUT
WHITE
BLACK
END
SWITCH
N/O COM N/C
TO BOILER AQUASTAT RELAY
POWER IN
24 VAC
FACTORY
INSTALLED
TRANSFORMER
120 VAC
INPUT
WHITE
BLACK
BOILER
H
N
SYSTEM
PUMP
SYSTEM PUMP AND BOILER TURN ON
WHEN ANY ZONE VALVE OPENS.
TTT
29
ZVC403/405 with System Pump

Table of Contents

Related product manuals