EasyManua.ls Logo

Taco SR504 - Radiant Mixing Block (RMB); Radiant Mixing Block, Single Zone

Default Icon
104 pages
Print Icon
To Next Page IconTo Next Page
To Next Page IconTo Next Page
To Previous Page IconTo Previous Page
To Previous Page IconTo Previous Page
Loading...
Back of
Control
MENU ITEM
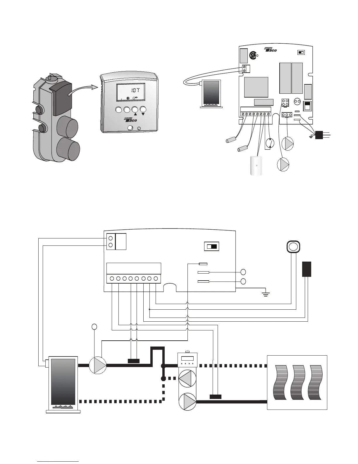
RADIANT MIXING BLOCK
PATENT PENDING
RMB-1
U
L
Power: 120 V + 10%
50/60 Hz, 750 VA
Var. Speed: 120 V
(ac) 1 A
Pmp Relay: 120 V
(ac) 5 A, 1/6 hp
Use copper
conductors only
Meets Class B:
Canadian ICES
FCC Part 15
Com Sys
Ret
Boil
Out Heat
Dem
Boiler
H
N
C US
158033
Com Com
Sys
YRB
Man
R
Supply
Sensor
Boiler
Sensor
Outdoor
Sensor
Boiler
Injection
Circulator
Radiant
Circulator
Line Cord
To
Zone
Control
End
Switch
or
Thermostat
Off-Enable On-Control
Boiler Operation
Sup
Var
Pump
Fuse
Front of
Control
Supply
Sensor
Boiler
Sensor
Outdoor
Sensor
H
N
ComSup
Boil
Out Heat
Dem
Com Com
Boiler
Sys
Ret
RMB
Back of Control
H
N
Power
Input
Thermostat
(Dry Contact)
N
Off-Enable On-Control
Boiler Operation
Pump
High Mass Boiler
T
Radiant Mixing Block, Single Zone
Radiant Mixing Block (RMB)
FOR ADDITIONAL WIRING DIAGRAMS, PLEASE SEE www.taco-hvac.com/wiringwizard
57

Table of Contents

Related product manuals