EasyManua.ls Logo

Taco ZVC405

Default Icon
104 pages
To Next Page IconTo Next Page
To Next Page IconTo Next Page
To Previous Page IconTo Previous Page
To Previous Page IconTo Previous Page
Loading...
64
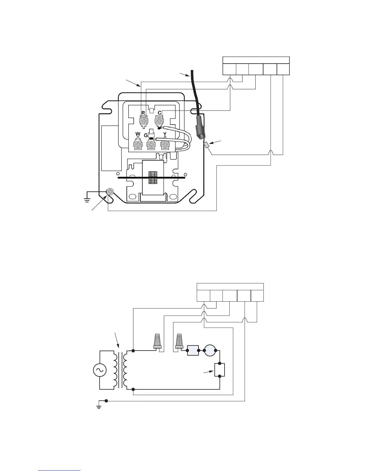
Wiring for Boilers with Honeywell Control Center Model R8285 or Equivalent
TACO LTR0243T-1
YELREDWH YELGRN
FACTORY
WIRING
MALE
CONNECTOR
GROUND
CONNECTION
FEMALE
CONNECTOR
GAS
VALVE
120
V
AC
TACO LTR0243T-1
YELREDWH YELGRN
LIMIT
CONTROLS
24 VAC
CLASS 2
TRANSFORMER
24 VAC
HOT
COMMON
Alternate
Wiring

Table of Contents

Related product manuals