EasyManua.ls Logo

Taco ZVC405

Default Icon
104 pages
To Next Page IconTo Next Page
To Next Page IconTo Next Page
To Previous Page IconTo Previous Page
To Previous Page IconTo Previous Page
Loading...
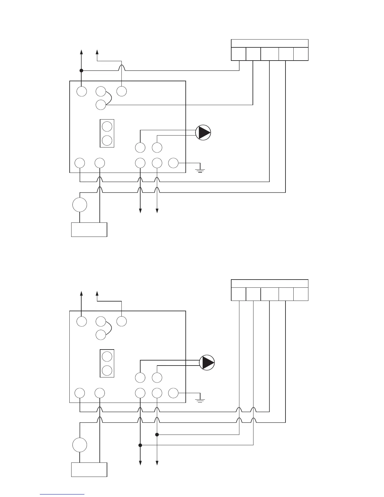
Aquastat Wiring to 24VAC Low Water Cutoff
TV W
T
L1
(HOT)
L2
(NEUTRAL)
CIRCULATOR
ON BOILER
(IF ATTACHED)
L1
C2
L2
120 VAC
INPUT
C1
LOW VOLTAGE
GAS VALVE
B1 B2
HONEYWELL
L8148E
TACO LNA024 or LTA024-2
N H COM NC NO
SPILL
SWITCH
B
R
Z
G
TO
THERMOSTAT
Aquastat Wiring to 120VAC Low Water Cutoff
TV W
T
L1
(HOT)
L2
(NEUTRAL)
CIRCULATOR
ON BOILER
(IF ATTACHED)
L1
C2
L2
120 VAC
INPUT
C1
LOW VOLTAGE
GAS VALVE
B1 B2
HONEYWELL
L8148E
TACO LNA120 OR LTA120-2
N H COM NC NO
SPILL
SWITCH
B
R
Z
G
TO
THERMOSTAT
86

Table of Contents

Related product manuals