EasyManua.ls Logo

Taco ZVC406

Default Icon
104 pages
To Next Page IconTo Next Page
To Next Page IconTo Next Page
To Previous Page IconTo Previous Page
To Previous Page IconTo Previous Page
Loading...
54
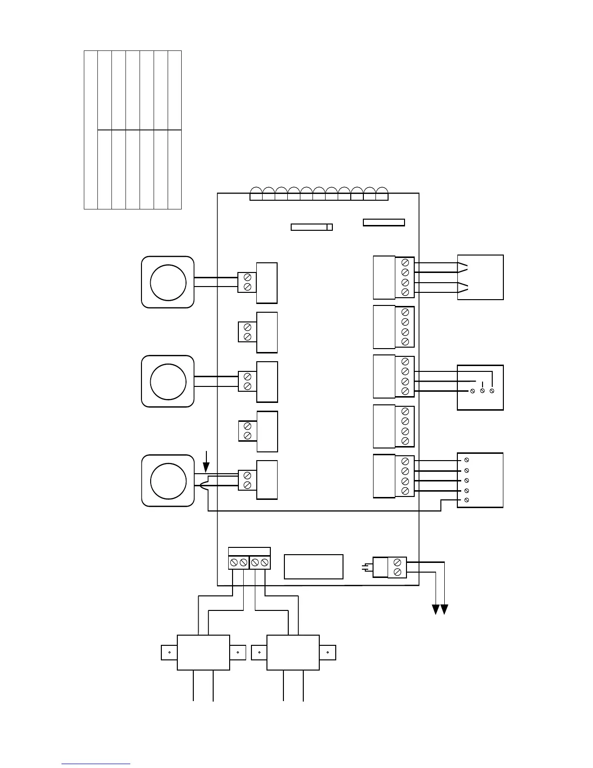
Honeywell VC 40 & 80 (spdt) Hydronic Zone Valve with TACO Zone Valve Control
ZONE 1 ZONE 2 ZONE 3 ZONE 4 ZONE 5
TT
TT TT TT TT
ZVC 405
1234 1234 1234 1234 12 34
ZONE 1 ZONE 2 ZONE 3 ZONE 4 ZONE 5
HONEYWELL VC (SPST)
HYDRONIC ZONE VALVE
SERIES 40 & 80
1
3 WIRE ZONE VALVE
(TACO TYPE)
1
2
3
MOTOR
END
SWITCH
THERMOSTAT
THERMOSTAT
THERMOSTAT
4 WIRE ZONE VALVE
(HONEYWELL TYPE)
T STAT 1
VALVE 1
T STAT 2
VALVE 2
T STAT 3
VALVE 3
T STAT 4
VALVE 4
T STAT 5
VALVE 5
POWER
FIVE ZONE ZONE VALVE CONTROL
24 VAC
FACTORY
INSTALLED
TRANSFORMER
120 VAC
INPUT
WHITE
BLACK
END
SWITCH
T
T
TO T&T ON BOILER
OR PUMP RELAY
POWER IN
24 VAC
FACTORY
INSTALLED
TRANSFORMER
120 VAC
INPUT
WHITE
BLACK
BLACK
RED
BLACK
RED
RIGHT TT
SCREW
(SEE NOTE)
4623
NOTE: WHEN USING ZVC 404 OR ZVC 406,
CONNECT WIRE #3 OF ZONE VALVE
TO PRIORITY ZONE RIGHT TT SCREW
TTT
TERMINAL ASSIGNMENT
ZONE VALVE CONTROL
ORANGE 1 3
BLUE 2
BROWN 3
1
GRAY 4
4
BLACK 6 2
TT (Rt)

Table of Contents

Related product manuals