EasyManua.ls Logo

Taco ZVC406

Default Icon
104 pages
To Next Page IconTo Next Page
To Next Page IconTo Next Page
To Previous Page IconTo Previous Page
To Previous Page IconTo Previous Page
Loading...
63
iSeries-R
B
C
A
B
C
A
Supply
Sensor
NPZCHX
1
ZR
X
2
ZONE1 ZONE2 ZONE3
ZONE1 ZONE2 ZONE3
FUSE 1 AMP
24 VAC
POWER
THREE ZONE SWITCHING RELAY
WITH OPTIONAL PRIORITY
SR 503
24 Volt
Transformer
H
N
Power
Input
C R
24 VAC
POWER INPUT
SENSOR
COMMON
BOILER
SUPPLY
OUTDOOR
POWER
GREEN
SENSOR
ERROR
RED
BACK OF iVALVE-R MIXING VALVE ACTUATOR
Outdoor
Sensor
DHW
Circ.
A
DHW Aquastat
Thermostats
T
T
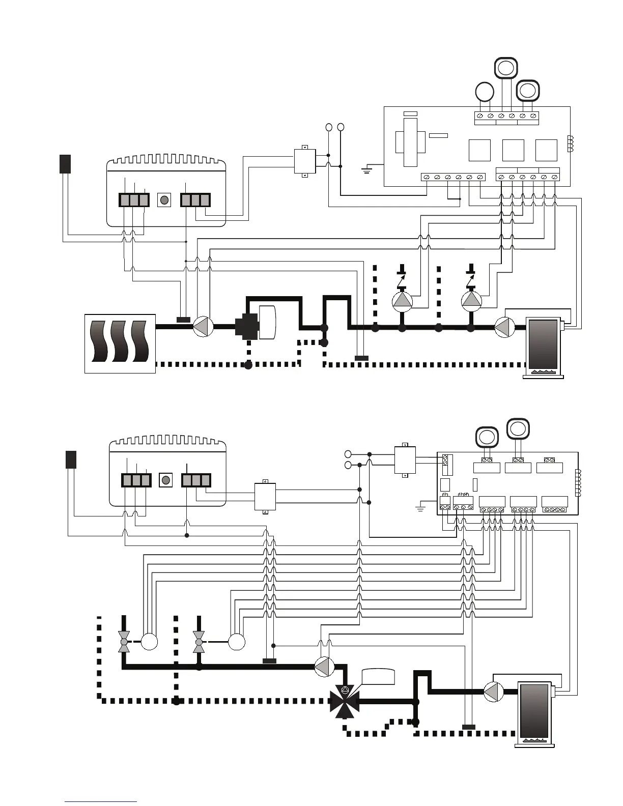
iValve, 3-Way Mixing Working with SR502/503 Switching Relay with DHW Priority
24 Volt
Transformer
C R
24 VAC
POWER INPUT
SENSOR
COMMON
BOILER
SUPPLY
OUTDOOR
POWER
GREEN
SENSOR
ERROR
RED
BACK OF iVALVE-R MIXING VALVE ACTUATOR
M
M
H
N
THREE ZONE ZONE VALVE CONTROL
ZVC 403
1234
ZONE 1
1234
ZONE 2
1234
ZONE 3
END
SWITCH
ZONE 1
TT
ZONE 2
TT
ZONE 3
TT
FUSE
(5 AMP MAX)
N/O N/CCOM
iValve, 4-Way Mixing Working with Zone Valve Control
iSeries-R
Factory
Installed
Transformer
POWER IN
Thermostats
T
T
Motor
End Switch
Motor
End
Switch
Power
Input
Outdoor
Sensor
Boiler
Sensor
Supply
Sensor
Boiler
Sensor
FOR ADDITIONAL WIRING DIAGRAMS, PLEASE SEE www.taco-hvac.com/wiringwizard

Table of Contents

Related product manuals