EasyManua.ls Logo

Taco ZVC406

Default Icon
104 pages
To Next Page IconTo Next Page
To Next Page IconTo Next Page
To Previous Page IconTo Previous Page
To Previous Page IconTo Previous Page
Loading...
6
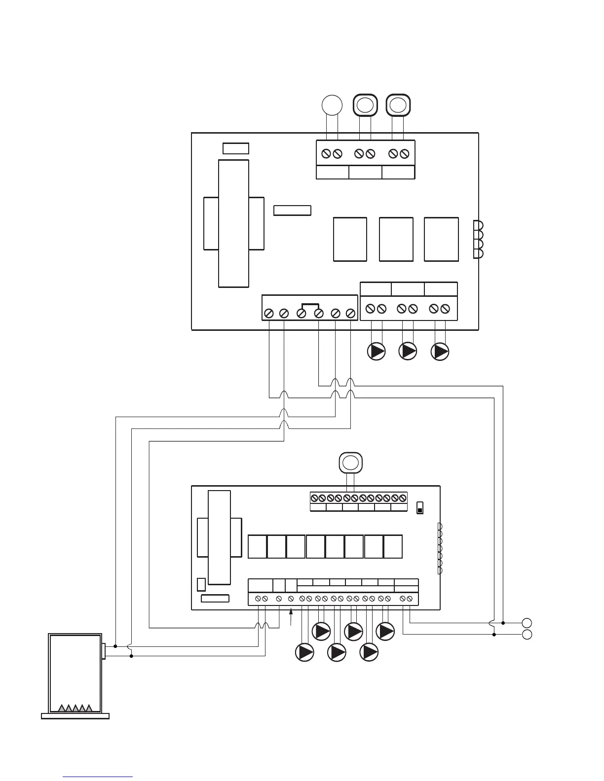
SR502/503 Switching Relay Controlling Another SR504/506 Switching Relay
SIX ZONE SWITCHING RELAY
WITH OPTIONAL PRIORITY
ZONE 6
ON
OFF
PRIORITY
120V RELAY
120 VOLT CIRCULATORS
ZC ZR
X X
END
SWITCH
POWER
INPUT
120 VAC INPUT
TO: "TT" ON BOILER
ZONE1
ZONE2
ZONE3
ZONE4 ZONE5 ZONE6
ZONE1
ZONE2
ZONE3
ZONE4
ZONE5
ZONE6
FUSE 1 AMP
24 VAC
POWER
SR 506
ZONE 2
POWER
ZONE 1
ZONE 3
ZONE 4
ZONE 5
ZONE 6
THERMOSTATS
BOILER
H
N
SR 503
ZONE1 ZONE2 ZONE3
24 VAC
POWER
FUSE 1 AMP
120 VOLT
CIRCULATORS
ZONE1 ZONE2 ZONE3
JUMPERS
N P ZC H X ZR
1
X
2
THREE ZONE SWITCHING RELAY
WITH OPTIONAL PRIORITY
T
A
T
MASTER
ZONE 2
POWER
ZONE 1
ZONE 3
SLAVE
T
PRIORITY ON
VIA JUMPER
PLACEMENT
REMOVE
JUMPER
PRIORITY
OFF
AQUASTAT
ON DHW
HEATER

Table of Contents

Related product manuals