EasyManua.ls Logo

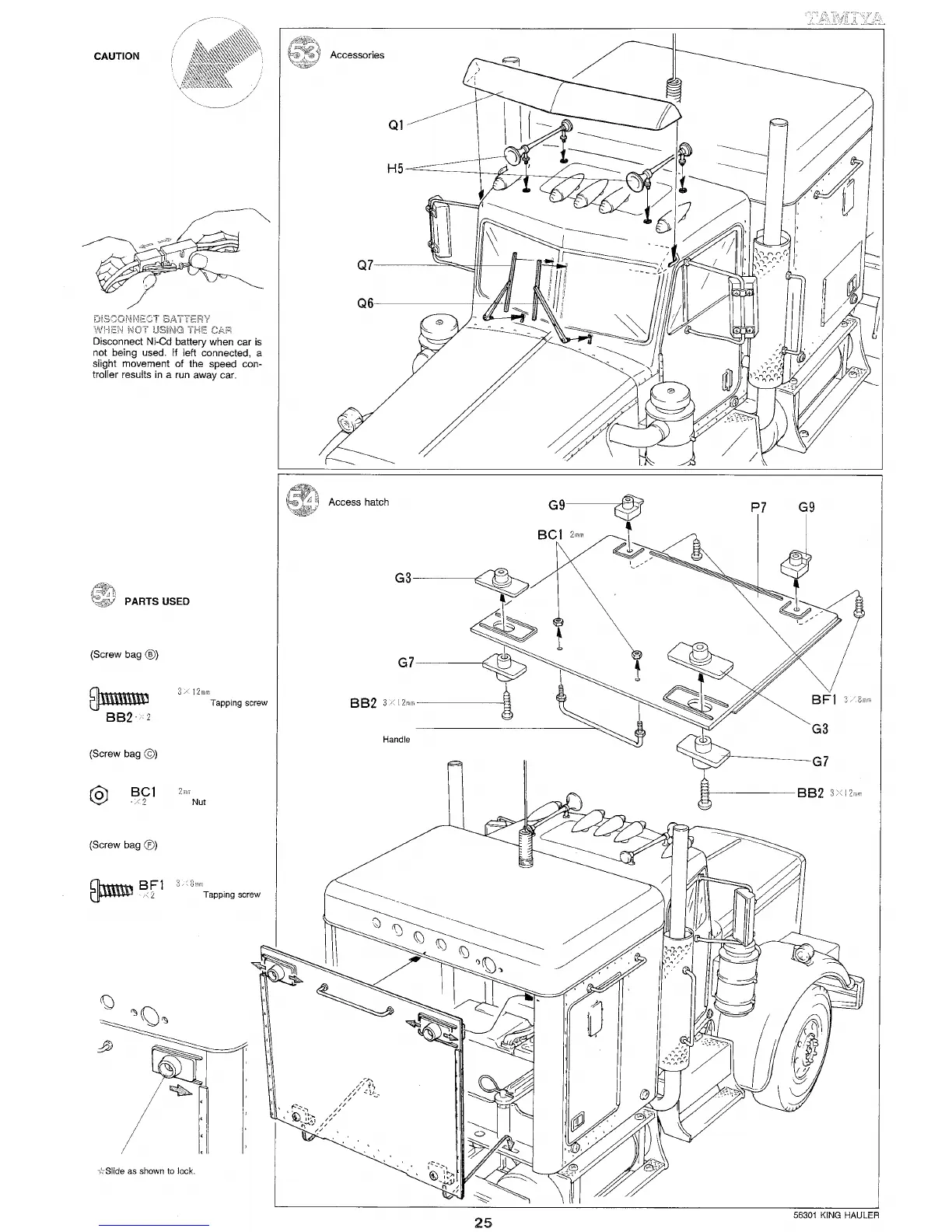
Tamiya 56336 - Accessories and Access Hatch; Accessories Installation; Access Hatch Installation

Tamiya 56336
31 pages
Print Icon
To Next Page IconTo Next Page
To Next Page IconTo Next Page
To Previous Page IconTo Previous Page
To Previous Page IconTo Previous Page
Loading...

Related product manuals