EasyManua.ls Logo

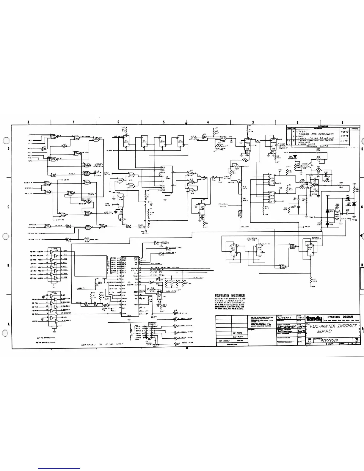
Tandy TRS-80 Model 16 - Floppy Disk Board Schematic

Default Icon
92 pages
Print Icon
To Next Page IconTo Next Page
To Next Page IconTo Next Page
To Previous Page IconTo Previous Page
To Previous Page IconTo Previous Page
Loading...

Related product manuals