EasyManua.ls Logo

Taylor TX180S - Page 222

Taylor TX180S
320 pages
Print Icon
To Next Page IconTo Next Page
To Next Page IconTo Next Page
To Previous Page IconTo Previous Page
To Previous Page IconTo Previous Page
Loading...
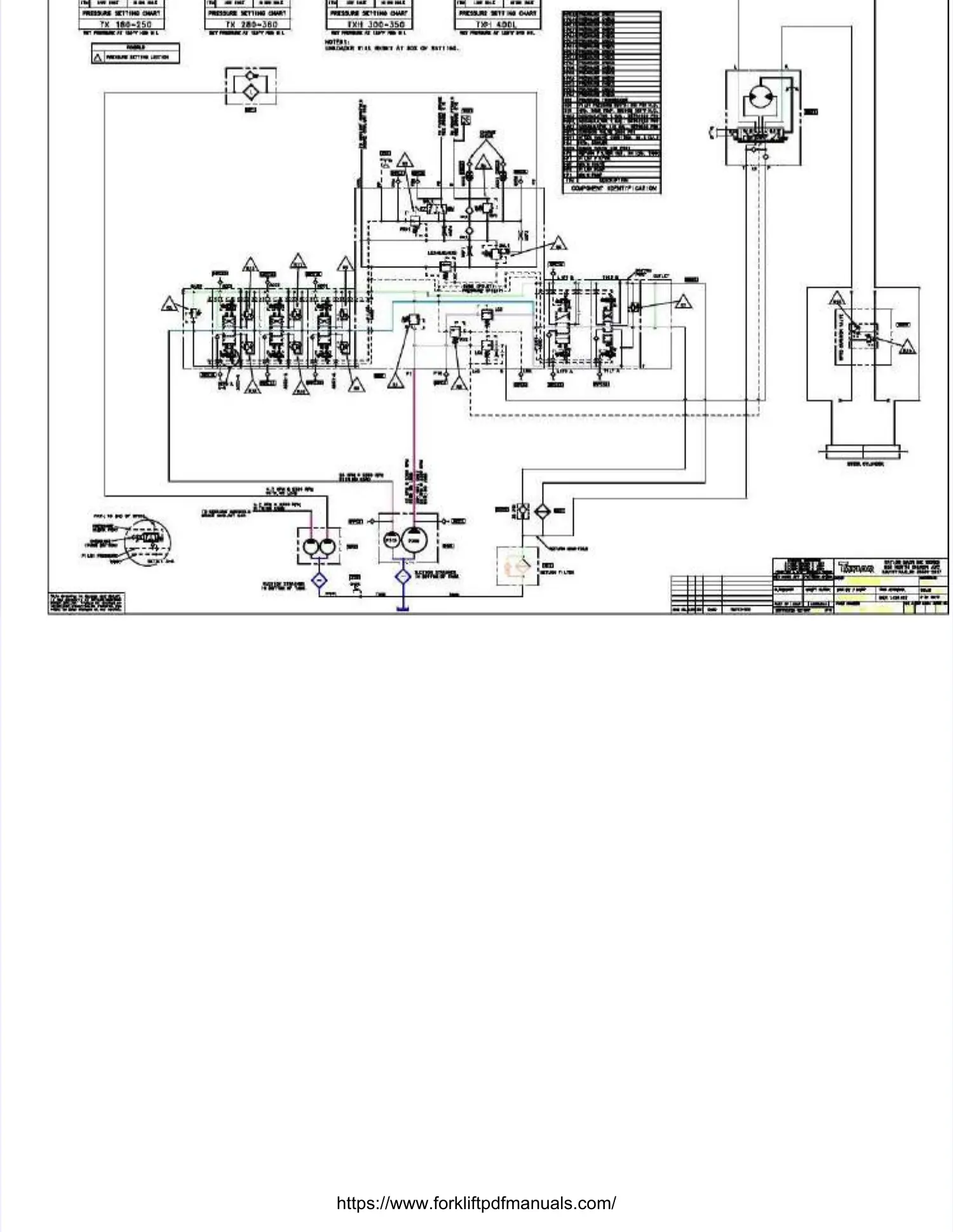
Hoist Circuit
Hoist Circuit
https://www.forkliftpdfmanuals.com/

Related product manuals