EasyManua.ls Logo

Taylor TX360L - Page 213

Taylor TX360L
320 pages
Print Icon
To Next Page IconTo Next Page
To Next Page IconTo Next Page
To Previous Page IconTo Previous Page
To Previous Page IconTo Previous Page
Loading...
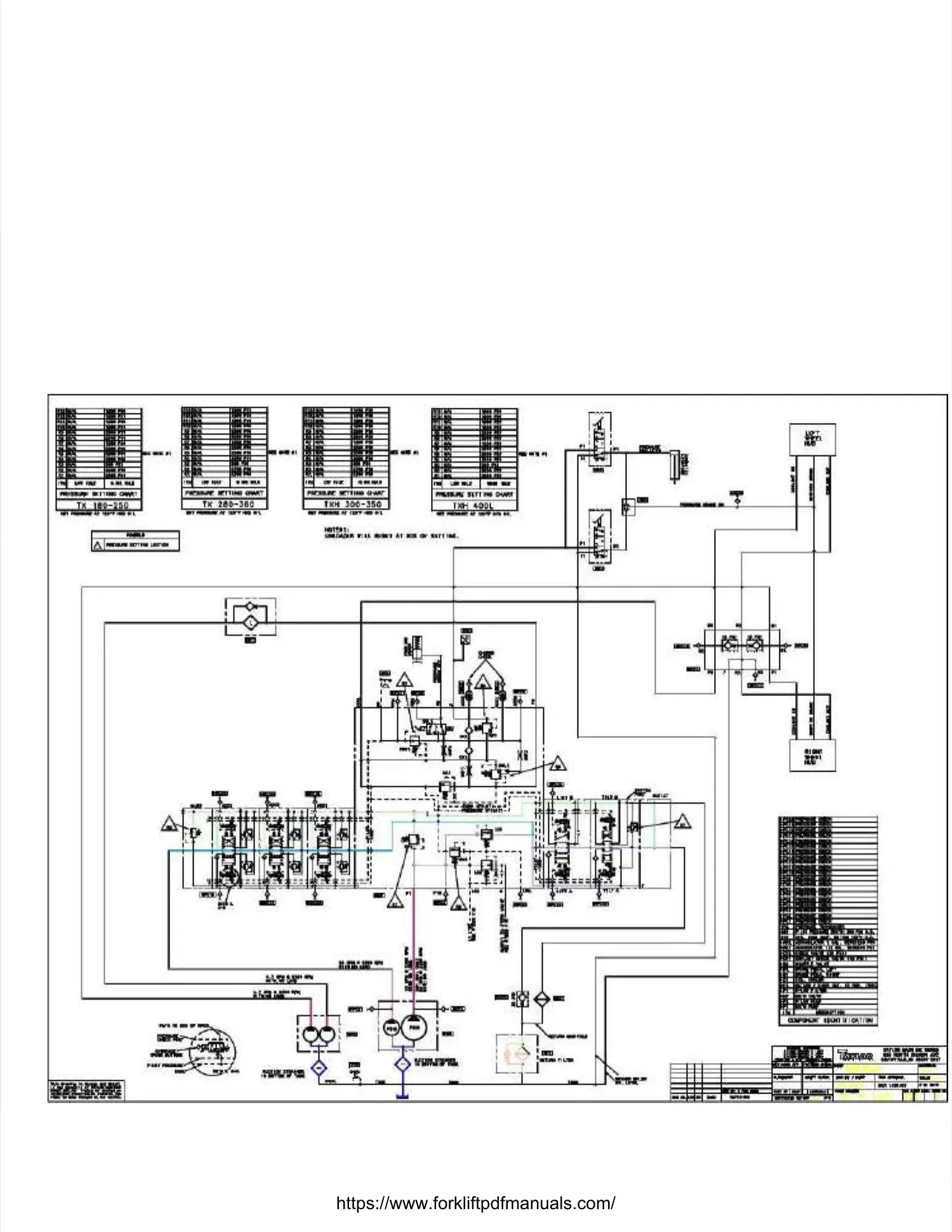
15-915-9TX / TXH / TXB 180S - 400L (Rev. 4/23/07)TX / TXH / TXB 180S - 400L (Rev. 4/23/07)
https://www.forkliftpdfmanuals.com/

Related product manuals