EasyManua.ls Logo

Taylor TX360L - Page 222

Taylor TX360L
320 pages
Print Icon
To Next Page IconTo Next Page
To Next Page IconTo Next Page
To Previous Page IconTo Previous Page
To Previous Page IconTo Previous Page
Loading...
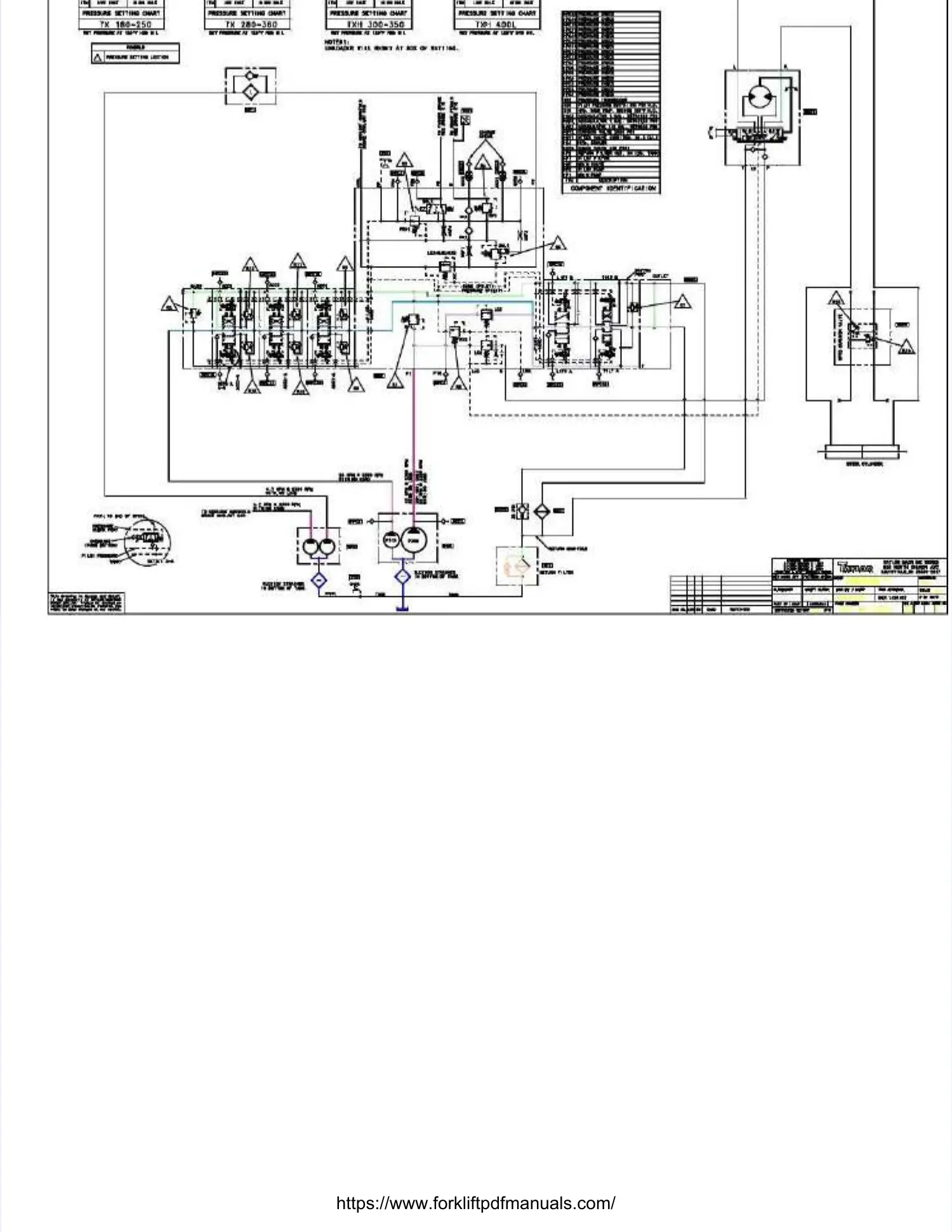
Hoist Circuit
Hoist Circuit
https://www.forkliftpdfmanuals.com/

Related product manuals