EasyManua.ls Logo

TCM FB15-8 - Page 101

TCM FB15-8
259 pages
Print Icon
To Next Page IconTo Next Page
To Next Page IconTo Next Page
To Previous Page IconTo Previous Page
To Previous Page IconTo Previous Page
Loading...
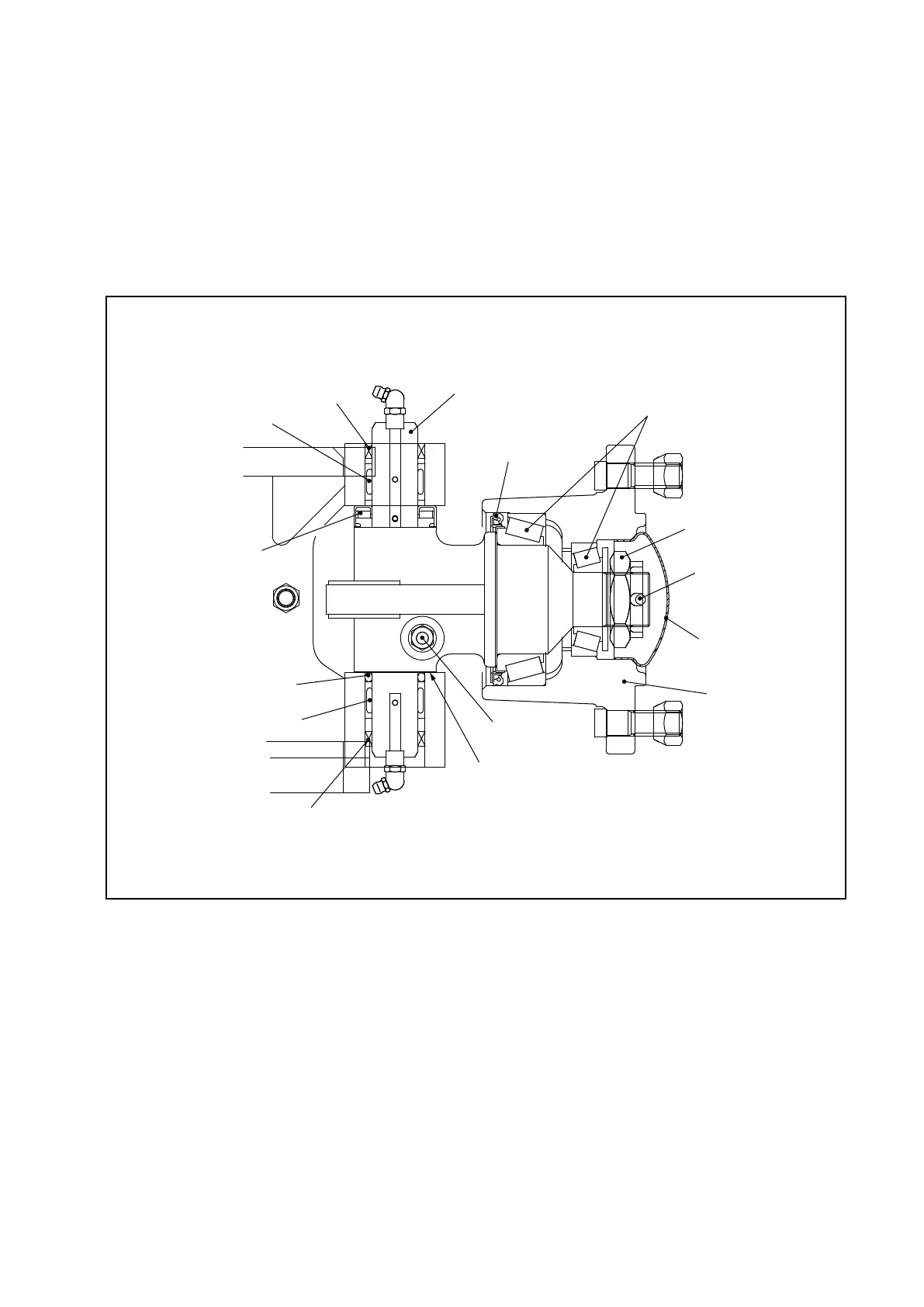
(1) Knuckle and king pin
The king pin supporting the knuckle is secured to the knuckle side with the lock pin. Its upper
and lower ends are each installed on the axle boss through each needle bearing.
The thrust bearing is installed between the axle upper boss and the knuckle so that the knuckle
rotates smoothly around the king pin with its load.
The upper and lower needle bearings, and the thrust bearing are lubricated with grease through
the grease ttings located on the upper and lower sides of the king pin.
(2) Wheel hub
The wheel hub is installed on the knuckle spindle unit with two tapered roller bearings. Its
preload is adjusted with the nut.
Fig. 6B.8 Knuckle
NEEDLE BEARING
LOCK NUT
THRUST BEARING
LOCK PIN
KING PIN
OIL SEAL
OIL SEAL
OIL SEAL
NEEDLE BEARING
OIL SEAL
SHIM
HUB
CAP
COTTER PIN
TAPERED ROLLER
BEARING

Table of Contents

Related product manuals