EasyManua.ls Logo

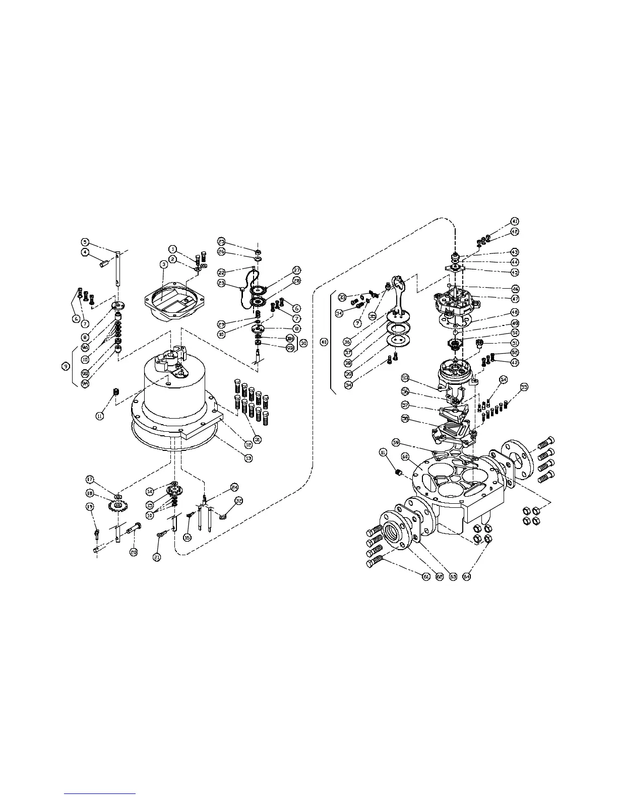
TCS 682-15 - Meter Assembly

TCS 682-15
24 pages
Print Icon
To Next Page IconTo Next Page
To Next Page IconTo Next Page
To Previous Page IconTo Previous Page
To Previous Page IconTo Previous Page
Loading...
METER ASSEMBLY
682-15

Related product manuals