EasyManua.ls Logo

TE AMP 3K/40 - Page 7

TE AMP 3K/40
23 pages
Print Icon
To Next Page IconTo Next Page
To Next Page IconTo Next Page
To Previous Page IconTo Previous Page
To Previous Page IconTo Previous Page
Loading...
409-10204
Rev G
7 of 23
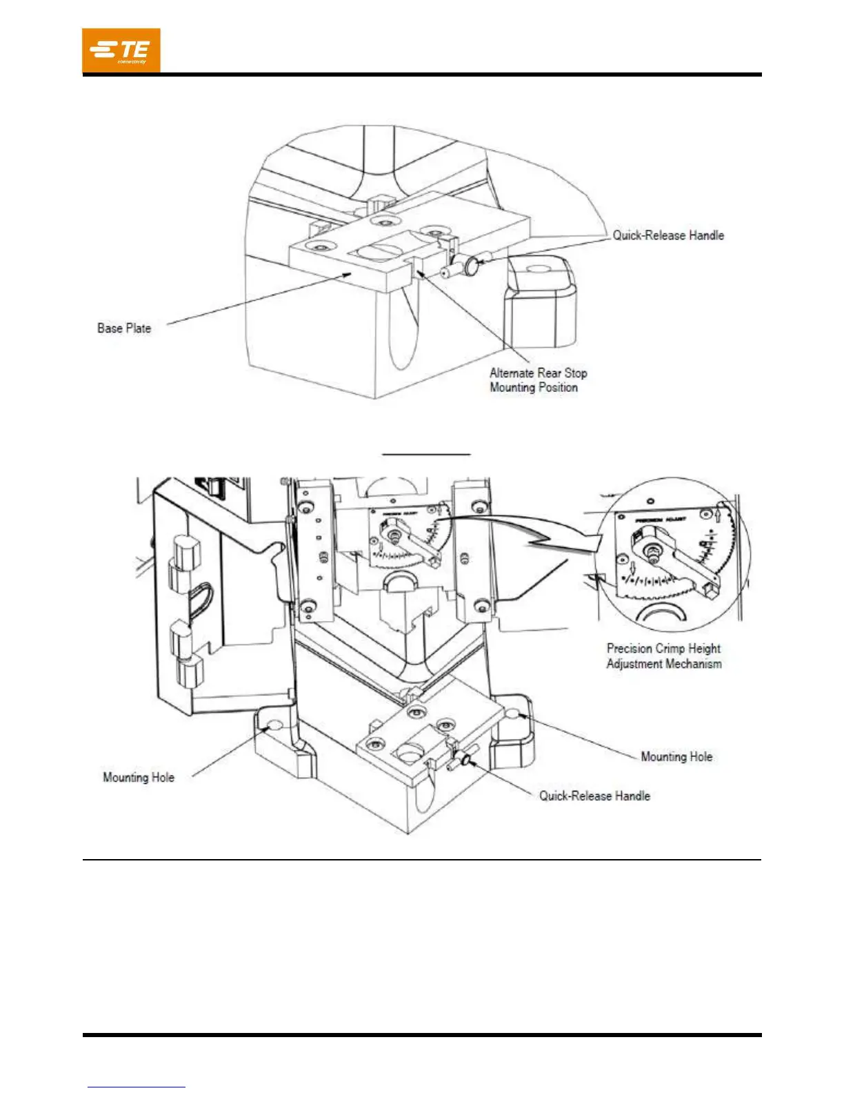
Figure 5