EasyManua.ls Logo

Teac A-R630 - Page 24

Teac A-R630
64 pages
Print Icon
To Next Page IconTo Next Page
To Next Page IconTo Next Page
To Previous Page IconTo Previous Page
To Previous Page IconTo Previous Page
Loading...
24
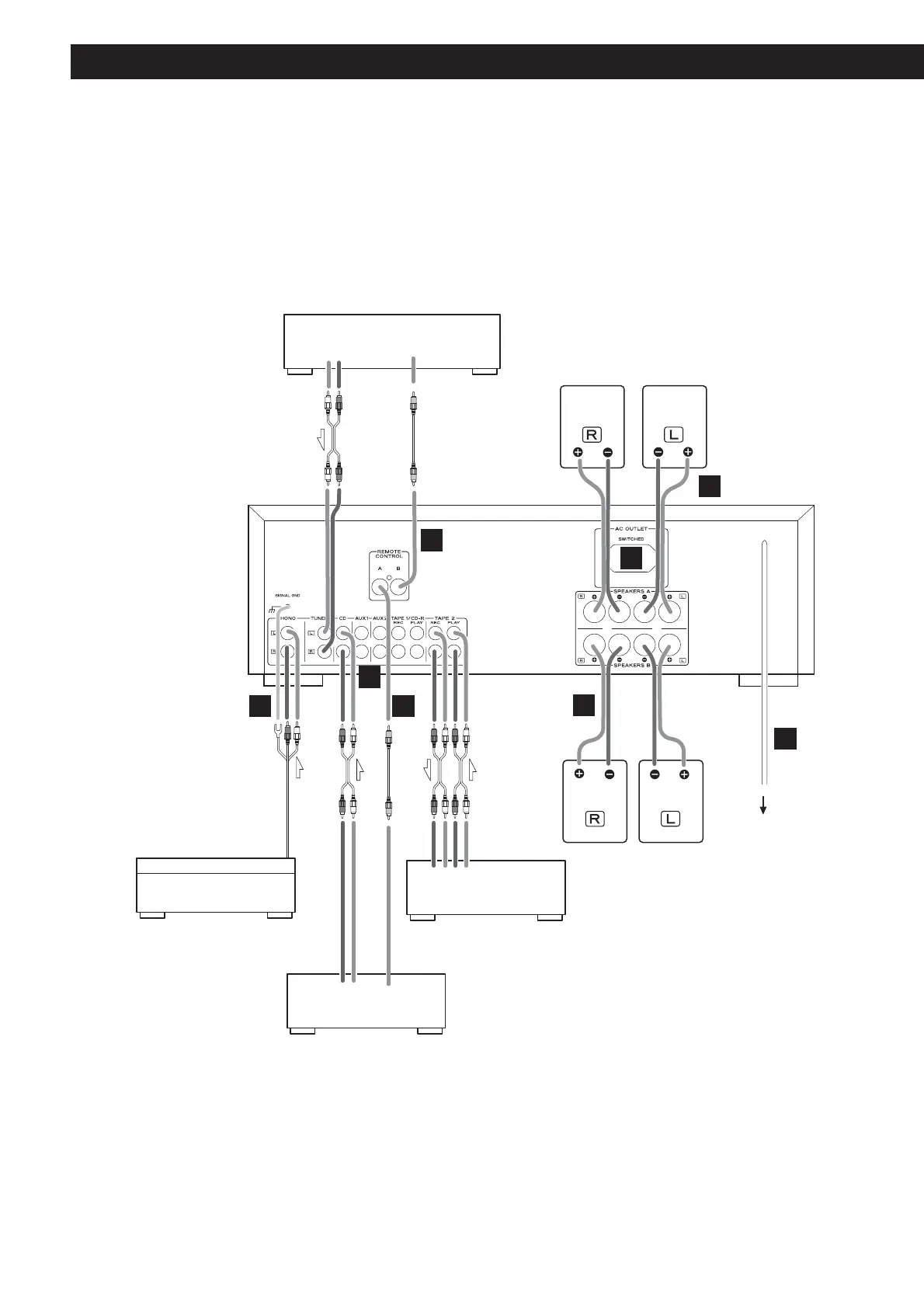
Conexión
PHONO q Plato giradiscos
TUNER q Sintonizador (T-R650/T-R650DAB)
CD q Reproductor de CD (CD-P650)
DVR/VCR q Grabadora de cinta de vídeo, etc.
AUX1/AUX2 q Componentes de audio
TAPE1/CD-R q Pletina de cassette, Grabadora de CD, etc.
TAPE2 q Pletina de cassette, Grabadora de CD, etc.
PRECAUCIÓN:
< Apague todos los equipos antes de realizar las conexiones.
< Lea las instrucciones de cada equipo que pretenda utilizar con esta unidad.
< Asegúrese de insertar firmemente cada enchufe. Para evitar zumbidos y ruidos, evite poner los cables de
conexión de señal agrupados con el cable de alimentación o cables de altavoz.
RL
LR
RL
RL
Tocadiscos Pletina de cassette
Altavoces B
Sintonizado (T-R650/T-R650DAB)
LINE
OUT
LINE
OUT
LINE
OUT
LINE
IN
REMOTE
CONTROL
REMOTE
CONTROL
Altavoces A
A-R630
Reproductor de CD (CD-P650)
D
E
E
F
C
C
B
A
Toma de
electricidad

Other manuals for Teac A-R630

Related product manuals