EasyManua.ls Logo

Teac A-X75 - Page 13

Teac A-X75
17 pages
Print Icon
To Next Page IconTo Next Page
To Next Page IconTo Next Page
To Previous Page IconTo Previous Page
To Previous Page IconTo Previous Page
Loading...
%@
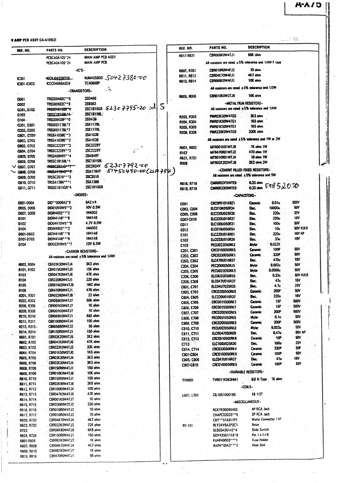
AMP
PCB
ASSY
CA-A105(2)
REF.
NO.
10301
1€801-1C803
001
0002
Q301,.0102
a103
Q106.
0201,
0301
0202,.0302.
601,
070%:
602,
0702
0603,
0703
604,
0704
0606,
0706
0607,
0707
‘\e
638;
0708
0609,
0709
0610,
0710
Q611,0711
0001-0004
0005,
0006
0007,
0008
0101
"1102
0104
0601-D603
0701-0703
704
R003,
ROOS
R101,
R102
R103
R104
RIOS
R106
8201,
7301
R202,
2302
R206,
R306
R209,
R309
R210,
R310
R211,
R311
R213,
R313:
R214,
R314:
R601,
R701
602,
R702
R603,
R703
ROG4,
R704
R605,
R705
R606,
R706
R608,
R708
603,
R709
S10,
R710
RGU,
R711
612,
R712
R613,
R713.
R614,
R714
R615,
R715
R616,
R716
R617,
R717
R620,
R720
R622,
R722
R723
R626,
R724
801-806
807,
RB08
R809,
R10
RB15,
RBI6
CBR470ROW4TSY
56
ohm
PARTS
NO.
DESCRIPTION
REF.
NO.
PCBCAQA105°24
MAIN
AMP
PCB
ASSY
R817-R821
PCBCAOA105°
24
MAIN
AMP
PCB
=e
R607,
R707
“eCU104558N068
nsmass600
50%2
7.38C
00
R811,
RB12
ICCCDAOBGAEGS
TC4066BP
R813,
RBIS
~TRANSISTORS-
-%
_.
TRSSDO4E8C*°6
2sD468
_
R005,
RODE
TRSSBOSE2C**8
2SB562
FROSEHEHSOR'S
wcreiscn
S230
779S-20
ot
S:
TASSCIB1SRL+t-
2SC1B1S8L:
TRSSDO438F**O
280438:
:
R203,
R303
TRSSKOI17BL°7
2SK1178L
R204,
R304
TRSSKON17BL°7
.2SK117BL
R205,
R305
TRSSA1038E"*3
2541038
R208,
R308
TRSSA1038E°*3
2SA1038
TASSC2229Y°°3
2SC2229Y
TRSSC2229Y°*3
28C2229Y
:
R001,
ROO2
TRSSAOGSSY°*4
-
sSA94SY
R107
TRSSC181S6L°1
"
2SC181SBL
-
R621,
R721
FResCeUOT—
=—-2SC2824Y
$2307792-C0
_
Roo
FRESATIBNOMT
warsey
S™¥
SCY
F0-00(2AF7F
‘)
TASSCISI9°°*3
2803519
TASSA1386°°°1
2SA1386
.
R618,
R718
TRSSC1815GR"4
2SC1815GR
aap
-DIODES-
010°*0006A2°S
6A2x4
sbi
DIDOTOVoWs°*2
10V
0.SW
pibin4002°**2
1N4002
C003,
C004
DIDINGT4g*
°°
1N4148.
~
€005.
C006
pioosv70w5s°*9
4.7V
0.5W
€007-C010
pipin4002°**2
4N4002
con
pIDINS148°"*8
1N4148
co12
DIDING148°**8
1N4148,
eer
pioo22vsws'*7
=
22V
0.5W
oe
~CARBON
RESISTORS~
€201,
C301
All
resistors
are
rated
5%
tolerance
and
V4W
202,
€302
CBRO3KIOWSTJ4
3K3
ohm
€203,
C303
CBROISKOW4TJO
15K
ohm
C204,
C304
CBRO47KOWATJE
47%
obm
-
€205,
€305
CBR220ROW4TJ1
220
ohm
C206,
C306
CBROIM20W4TJS
1M2
ohm
€208,
C308
CBRATOROWSTII.
470
ob.
601,
C701
CBROZ2ROWSTIB
©
22
ohm:
*
602,
C702
CBROS6KOW4TJ7
SEK
ohm
C604,
C605
+
CBROOTKOWATJ7
1K
ohm
605,
C705
*
CBROOIKOW4TJ7
1K
ohm
606,
C706
CBROGSKOW4TJ1
68K
ohm
C607,
C707
CBRIOOROW4TIS
100
ob
C608,
C708
CBROSEROWATJ2
56
ohm
609,
C709
CBRISOROWATJ1
150
ohm.
610,
C710
CBRO2K20W4TIS
2K2
ohm
611,
C711
CBROSTKOWATJ6
=
47K
ohm
C812,
C712
CBROS3KOW4TI2
33K
obm
e713"
CBROIKSOWSTJO
1KS
ohm
514,
C714
~CBROSKIOWATI4
3K3
ohm
C801-804
*
CBROIK30W4TJ4
3K3
ohm
B05,
C806
CBRISOROW4TJ1
150
ohm
807-810
CBROVOKOWATJB
10K
ohm
_
CBRISOROWATJI
150
ohm
CBROSKIOW4TIE
3K9
ohm
‘TVRE01
CBRIOORSWATJ4
100
ohm
CBROSTKOW4TJE
47K
ohm
CBROOIKOWATI7
1K
ohm
L601,
L701
CBRI3OROW3TI2
330
ohm
CBROIOROW4TJ3
10
ohm
CBROIOROWSTJ3.
STO
ohm
CBROSK70W4TJ4
4K7
ohm
CBRO22KOW4TJ2
22K
ohm
ae
_
CBROGKBOW4TJ9
-
6K8
ohm
CBRISOROWATJ1
150
ohm
CBROOIKOWSTJ7
1K
ohm
CBROAK70W4TI4
4K7
ohm
“CBROOIKOW4TJ7
1K
ohm
4
PARTS
NO.
CBROGBKOW4TJ1
All
resistors
are
rated
+
5%
tolerance
and
1/4W
F
tape
DESCRIPTION
68K
ohm
C1L1851000186
18
1727
-MISCELLANEQUS-
RCKYK00080402
CHAPC02023°°5
CNT°*514311P1
RLY24VSA2P2C1
SLSESA26142°4
SDY43501119°8
FUHFHO003°**1
RAPH°0043°°*3
4P
RCA
Jack
2P
RCA
Jack
Water
Connector
11P
Relay
Stide
Switch
Pin
1x
1x9
Fuse
Holde:
Heat
Sink
CBROTOROW4FJ3
10
ohm
CBROSK70W4FJ1
4K7
oben
CBROGBKOW4F
51
10K
ohm
All
resistors
are-rated
£5%
tolerance
and
1/2W
CBROIOKOW2TJ6
10K
ohm
METAL
FILM.
RESISTORS
-
AE
resistors
are
rated
5%
tolerance
and
1/4W
PMROSKSOWS6TGS
3K3
ohm
PMROIKSOWATG1
1KS.ohm
PMROIKSOW4TGI
1KS
ohm
PMR330KOWSTGS
-
«330K
ohm
All
resistors
are
rated
+5%
tolerance
and
1W
or
ZW
MTROO1KOIWTJB
1K
ohm
1W
MTR470ROIWTI2
470 ohm
1W
MTROTOROIWTIS
10
ohm
1W
MTROZK202WTJ8
“2X2
oben
ZW
-
«CEMENT
FILLED
FIXED
RESISTORS-
All
resistors
are
rated
25%
tolerance
and
5W
CMRORSINSWTES
0.33
ohm
cunonszoswres
atom
518
510
10
CRCOPO1OIKAZ1
Ceramic
0.01u
soov
ELCOIOKOSOR34
Bee.
10000u
SOV
€LC220U025R38
Bec.
220u
35v
€1C220U01637
Bec.
220u
16V
ELCIOOUOSOR31
Glee:
100u
SOV.
ELCOTOUOSORS4
©
Bec.
10u
SOV
KULR
€1C220U016R01.
Gee.
2205.
16V
NP
ELCO33U010R38
Be.
Su
10V
PECU022050RK3
Myla
0.022K
.
CRCOTOOOSORKS
Ceramic
“100P
Sov”
~
CRCO330050RK1
Ceramic
330P
50V
ELC470U010837
.
Elec.
470u
iov
PEC20000S0RS
Myler,
0.002
Sov
PECU022050AK3
Mylar
0.0068u
sv
ELCOU33050R55
Elec.
0.33u
.
SOV
KULR
£L.CO47U016R37
Bec.
Aly 16V
ELCO4U7025R35
Bec.
4.70
2
CRCO200S00RKS
Ceramic
0p
SV
£LC220U016R37
Bec.
220u
16V
\CRCOOISSOORK7?
«—«—=s«
Ceramic
1S?
s00v
(CRCO01SS00RK7
Ceramic
-18P
so0v
PECOQUIOSORKS
~
Mylar
O.1u
-
SOV
CRCO200500RKS
©
Ceramic
200P
500V
PECU0220SORK3
-
Mylar
0.022u
s0v
ELCOU470S0RO9
Bee,
0.470
SOV
NP
CRCOO1OS00RK9
Ceramic
10P
SOV
FLC1000025R30
Elec,
1008
av
CROO330500RK4
Ceramic
330P
SOP
CRCOTOOOSORKS
Ceramic
100°
SOV
€LC047016R37
Elec.
4s
ev
CRCOIOOOSORKS
ss.
Ceramic
100°
SOV
VARIABLE
RESISTORS-
TVRO11KOS3HM1
"GOH
Type
|
1K
ohm
Tae
ret
ee
oe
wo
tenner
ere
aes
2
satan
ae
ae
eT
7

Related product manuals