EasyManua.ls Logo

Teac AI-501DA - Connecting Equipment

Teac AI-501DA
29 pages
Print Icon
To Next Page IconTo Next Page
To Next Page IconTo Next Page
To Previous Page IconTo Previous Page
To Previous Page IconTo Previous Page
Loading...
8
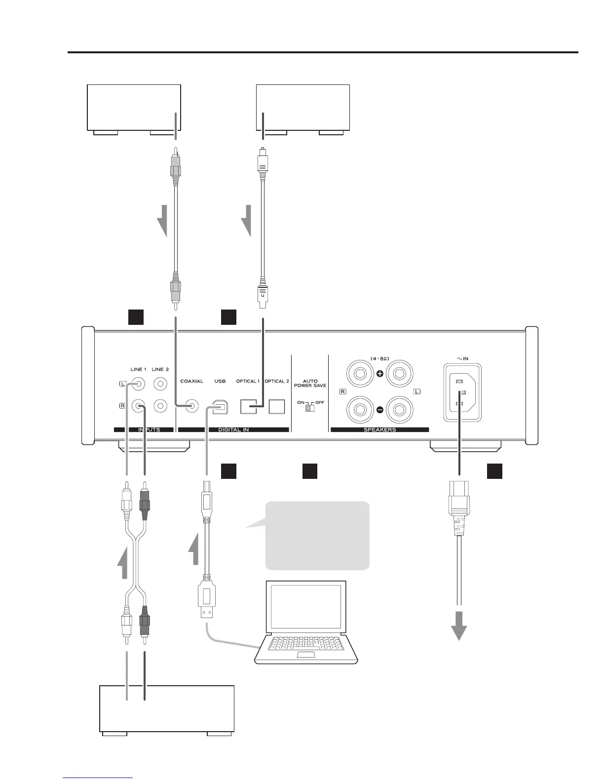
Connecting equipment
Computer
Cassette deck, CD player, etc.
Audio outputs
(LINE OUT, etc.)
Digital audio
output device
Digital audio
output device
A
USB cable
RCA audio cable
Included power cord
LR
B
C E
Optical digital cable
D
DIGITAL OUT
(COAXIAL)
DIGITAL OUT
(OPTICAL)
RCA coaxial digital cable
Install the dedicated
driver on the computer
before connecting
(see p.14)
Power outlet

Related product manuals