EasyManua.ls Logo

Technibel Climatisation MTF97C5TAA - Electrical Data; Electric Wiring Diagram

Technibel Climatisation MTF97C5TAA
27 pages
Print Icon
To Next Page IconTo Next Page
To Next Page IconTo Next Page
To Previous Page IconTo Previous Page
To Previous Page IconTo Previous Page
Loading...
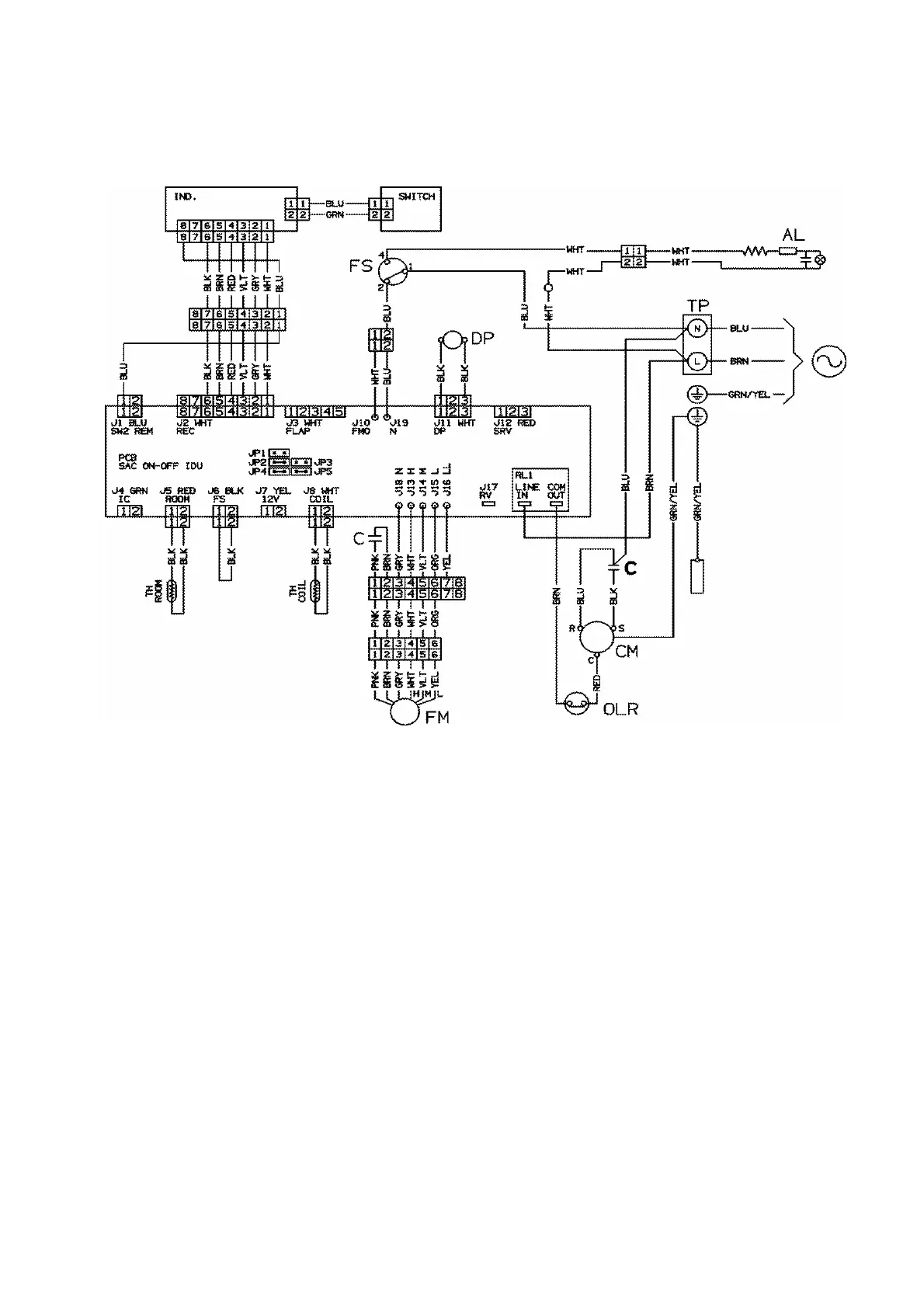
3. ELECTRICAL DATA
3-1 Electric Wiring Diagram
4,9 32
CM
Compressor Motor
BLK
Black
C
Capacitor
BLU
Blue
IND
Indicator Assy
BRN
Brown
FM
Fan Motor
GRN/YEL
Green/Yellow
OLR
Overload Relay
ORG
Orange
PCB
Controller
RED
Red
A
L
Alarm Light
WHT
White
DP
Drain Pump
Y
EL
Yellow
SWITCH
Switch Assy
GRN
Green
FS
Float Switch
PN
K
Pink
TH
Thermistor
V
LT
Violet
TP
Terminal Plate
GRY
Grey
7

Related product manuals