EasyManua.ls Logo

Technibel Climatisation SCDV106C5VAC - Gelectrical Data

Technibel Climatisation SCDV106C5VAC
34 pages
Print Icon
To Next Page IconTo Next Page
To Next Page IconTo Next Page
To Previous Page IconTo Previous Page
To Previous Page IconTo Previous Page
Loading...
22
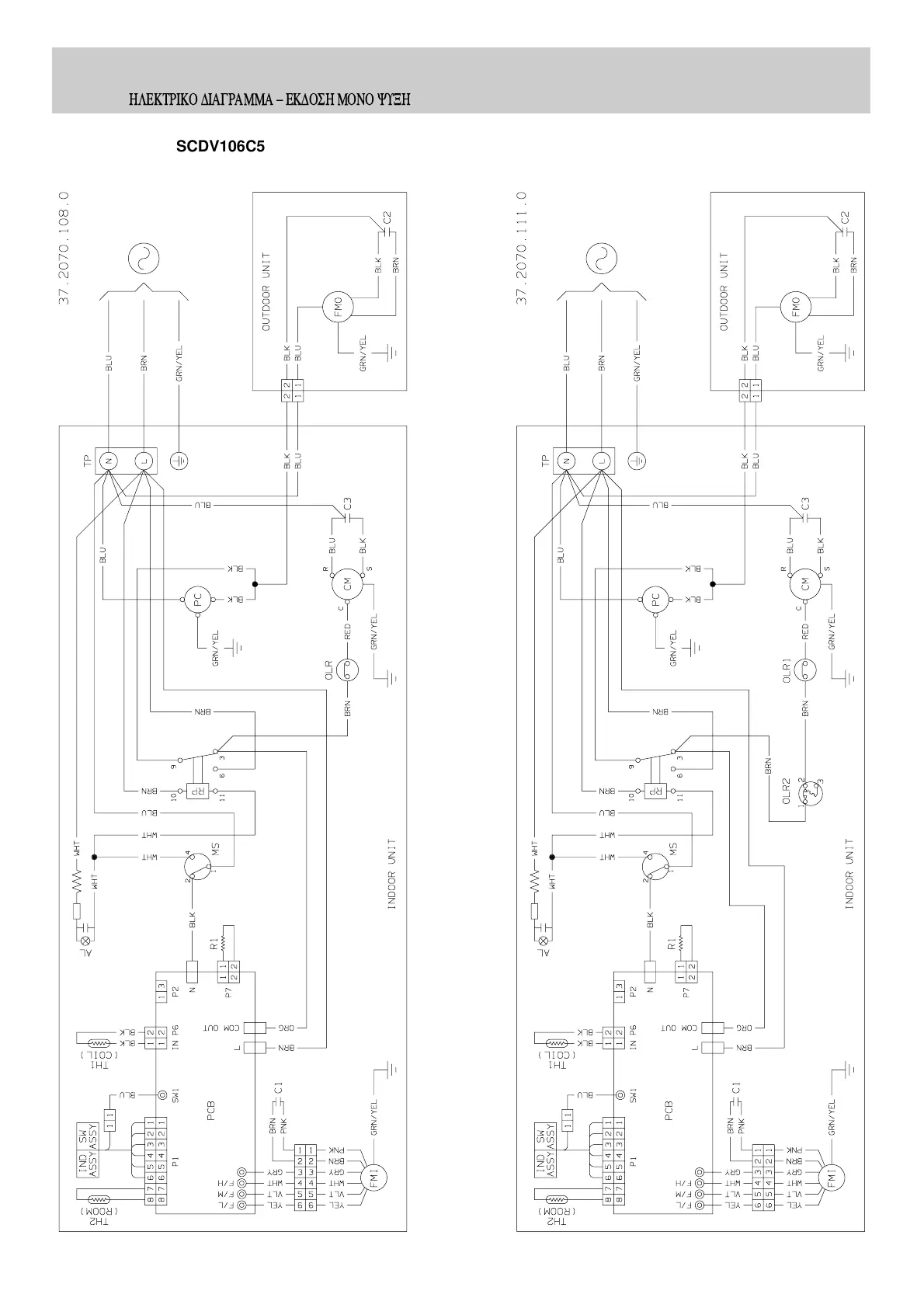
ELECTRIC WIRING - COOLING ONLY VERSION
SCHEMA ELETTRICO - VERSIONE SOLO RAFFREDDAMENTO
SCHÉMA ÉLECTRIQUE -
VERSION FROID SEUL
SCHALTPLAN - AUSFÜHRUNG: NUR KÜLUNG
ESQUEMA ELECTRICO SCHALTPLAN - MODELOS QUE SOLO
EINFRIAN
HLEKTRIKO DIAGRAMMA - EKDOSH MONO YUXH
SCDV106C5 SCDV136C5