EasyManua.ls Logo

Technibel Climatisation SCDV106C5VAC - Erefrigerant Flow Diagram

Technibel Climatisation SCDV106C5VAC
34 pages
Print Icon
To Next Page IconTo Next Page
To Next Page IconTo Next Page
To Previous Page IconTo Previous Page
To Previous Page IconTo Previous Page
Loading...
9
E
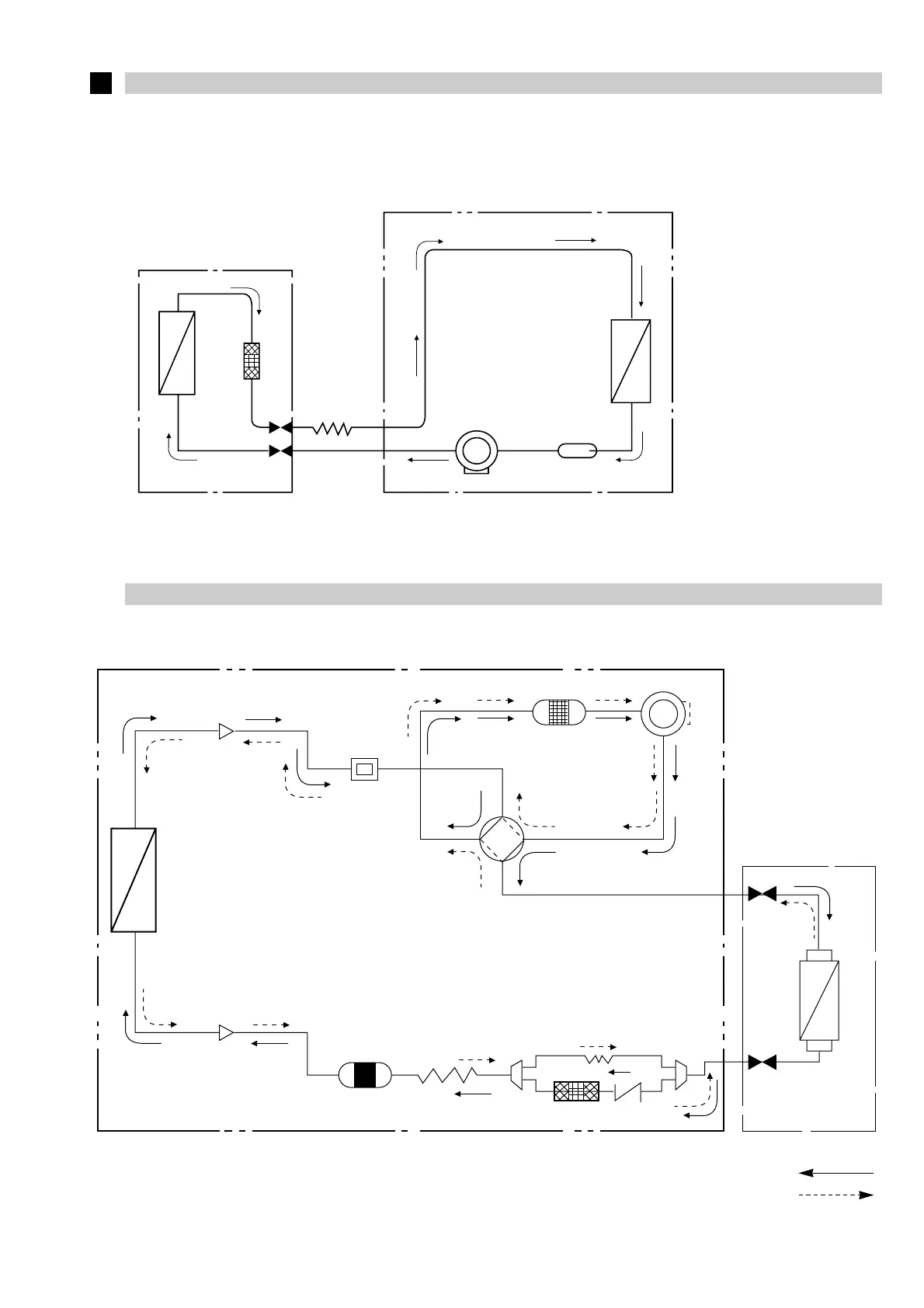
REFRIGERANT FLOW DIAGRAM COOLING MODELS
QUICK
CONNECTOR
CAPILLARY
TUBE
Compressor Accumulator
Mechanical filter
Heat exchanger
Heat exchanger
Outdoor unit Indoor unit
REFRIGERANT FLOW DIAGRAM HEAT PUMP MODELS
Heat exchanger
Muffler
Stainer
4-way valve
Accumulator
Compressor
Heat exchanger
Drier
Capillary tube
Capillary tube
Check
valve
( )
Indoor unit
Outdoor unit
Quick connector
Cooling cycle
Heating cycle