EasyManua.ls Logo

Technics QUARTZ ST-K50 - Block Diagram

Technics QUARTZ ST-K50
15 pages
Print Icon
To Next Page IconTo Next Page
To Next Page IconTo Next Page
To Previous Page IconTo Previous Page
To Previous Page IconTo Previous Page
Loading...
ST-K50
m@
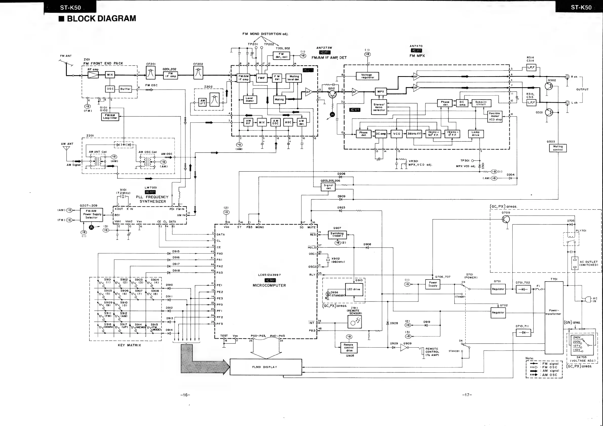
BLOCK
DIAGRAM
FM
ANT
ZI01
FM
FRONT
END
PACK
CF201
Poe
ee
re
Se
ee
71
|
RF
amp
|
-
ist
A
\
|
;
|
FM
OSC
1
|
L-p-—
Ga
eos
4
6
3
J4
5
C8)
aio1
(FM)
2102
eae
FM/AM
Loop
filter
Z201
FF
Fog
ote
eat
5
ee
7
AM
ANT
ty
be
iat
Hel
atk
ett
AM
Signal
:
1
a
LM700I
(7.2MHz)
a
PLL
FREQUENCY
SYNTHESIZER
a207~
209
Paes
ey
=
(aM)
@)
EMA
pxouT
XIN
PDI
FM
IN
ie
Power
Supply
"
BOI
AM
INO
Selector
(FM)
GB)
Vool
Voo2
Vss
CE
CL
DATA
AM
OSC
Coil
ppt
eel sag
CF202
Q201,202
FM
1F
omp
Z202
.
!
FM/AM
Muting
Ta
get:
ght
FM
MONO
DISTORTION
adj.
TP20ol
TP202
0
T20!,
202
ANT273W
tit
‘era
FM
Bt)
f1c309)
+
:
CO)
EM/AM
IF
AMP.
DET
FM
MPX
este
8
9
16
ji?
}i2
14
eas
oe
te
sa
teh
ge
ee
eee
-
ote
5
r
a
=
rns
!
FM
V
|
|
|
am
osc
|
cE
DgI5
40
—Bt—
PAO
OPAI
soil
sgl2
KEY
MATRIX
s909
S910
7
e)
(9)
0
9
(0)
sgis
|
MODE)
|
-16-
Voltage
regulator
Stereo/
mono
selector
Forcible
16
mono/
VCO
stop
9kHz<
(9kHz<
aa
OFF.
5 6
+
+
Q303
iE
J
Muting
(AM)
ha
a
en
<a
a
a
es
ae
ee
re
See
ce ee
i
ieee
control
4
VR301I
TP30!I
O
7
‘le
ie
MPX,VCO
adj.
MPX
VCO
adj.
KR
B)t1)
D204
(AM)
GB)
p
PB3
MONO
LC6512A3997
MICROCOMPUTER
FL9OI
DISPLAY
ST-K50
OUTPUT
Q709
riers
aes
|
AC
OUTLET
(SWITCHED)
|
|
|
|
|
|
|
|
|
|
|
|
J
S701
(POWER)
Q706,707
E
OaI0!
T70l
Qasio
(t)
|
|
Power
ON
Q7ol
D701,702
|
Supply
|
Regulator
|
+
|
L
reas.
Q702
(GC,PX)areas.
|,
(REMOTE
SENSOR)
Regulator
0928
D710,711
ON
Remote
D929
control
+
REMOTE
drive
CONTROL
STANDBY
(To
AMP)
-17-
a
-
=
|
“>
°<FM
signal
|
ovg>
>
FM
OSC
|}
(GC,PX)areas.
{
mm
©
AM
signal
|
|
a>
:AMosc
!
iL-—-~—
=
=

Related product manuals