EasyManua.ls Logo

Technics SL-PS670A - Block Diagram

Technics SL-PS670A
26 pages
Print Icon
To Next Page IconTo Next Page
To Next Page IconTo Next Page
To Previous Page IconTo Previous Page
To Previous Page IconTo Previous Page
Loading...
SL-PS670A
SL-PS670A
m@
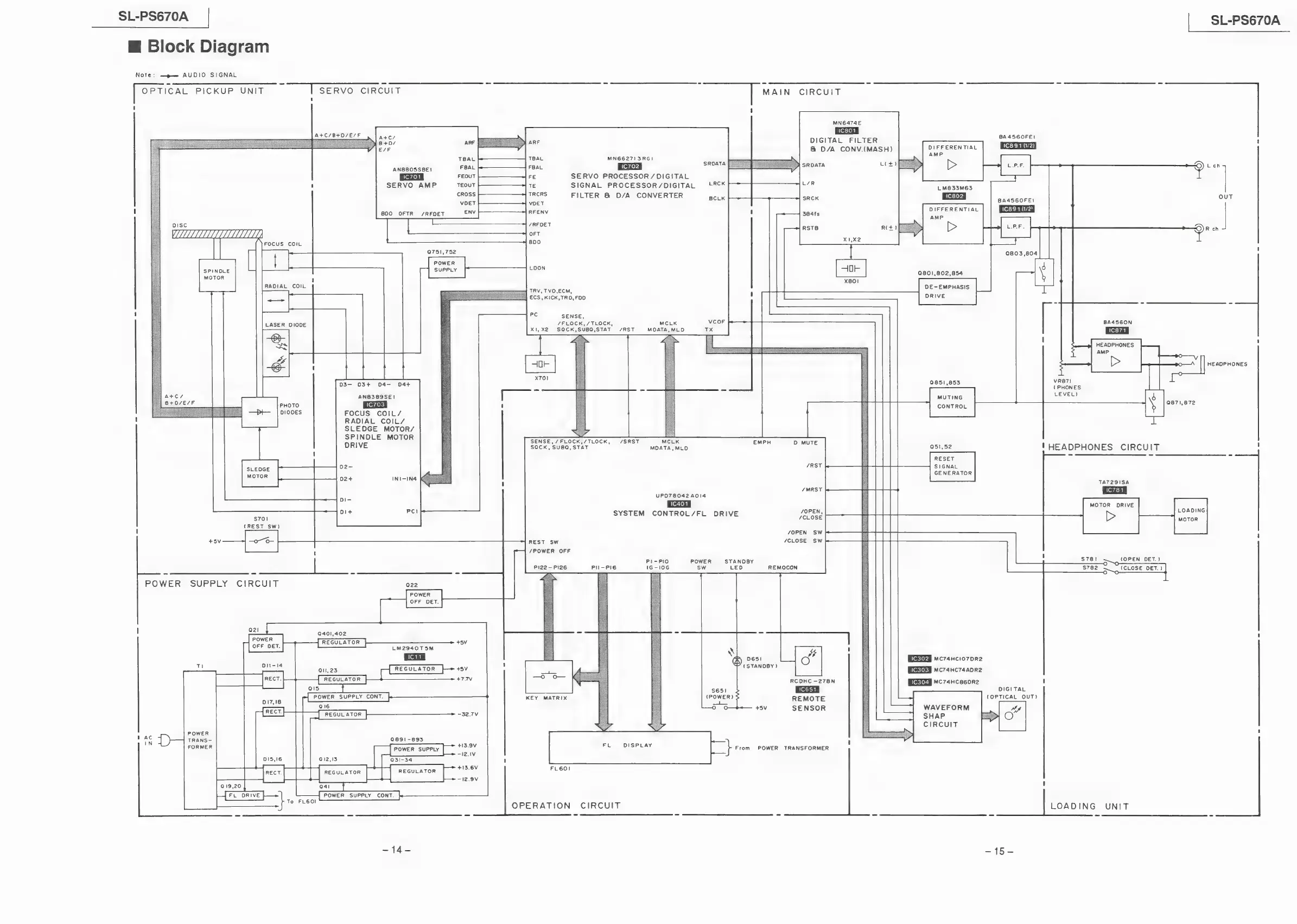
Block
Diagram
Note:
—p—_
AUDIO
SIGNAL
|
OPTICAL
PICKUP
UNIT
SERVO
CIRCUIT
MAIN
CIRCUIT
t
\
1
MN6474E
1C801
At+C/B+D/E/F
eee
eee
BA4S60FEI
1
&
D/A
CONV.MASH)
DIFFERENTIAL
MN66271
3RG1
3
AMP
AN88O5SBE1
eRpeTe
SROATA
L(t)
>
LLP.
ick
FEOUT
FE
SERVO
PROCESSOR
/
DIGITAL
SERVO
AMP
TE
SIGNAL
PROCESSOR/DIGITAL
LMO33M63
bis,
FILTER
&
D/A
CONVERTER
Peeves
our
=
v
DIFFERENTIAL
!
B00
OFTR
/RFDET
RFEN
ss
WL
ort
plea
Ore
WLLLLLLILTILTLLLLLLL
TL
oFT
S
FOCUS
COIL
BDO
|
0751,752
0803,804
SPINOLE
MOTOR
Q80!1,802,854
1
DE-EMPHASIS
RADIAL
COIL
=j
TRV,
TVD,ECM,
DRIVE
sq
ECS,KICK,TRO,FOD
ee
o
'
Pc
SENSE,
-
/FLOCK,/TLOCK,
MCLK
VCOF
BA4560N
XI,
X2
SQCK,SUBO,STAT
“RST
MDATA,MLD
1C871
'
HEADPHONES.
O
>
O
HEADPHONES
'
:
0851,853
VR871
(
PHONES
LEVEL)
AN8389SE!
|
MUTING
}
0871,872
B+O/E/F
PHOTO
1C703
CONTROL
4
>
DIODES
FOCUS
COIL/
4
I
RADIAL
COIL/
SLEDGE
MOTOR/
SPINDLE
MOTOR
SENSE,/FLOCK,/TLOCK,
/SRST
MCLK
;
DRIVE
SOCK,
SUBO,
STAT
MDATA,
MLD
Q51,52
'
HEADPHONES
CIRCUIT
'
RESET
5 a
i
SIGNAL
SLEDGE
ey
GENERATOR
MOTOR
INI-ING
TA7291SA
mz
UPD78042
A014
MOTOR
DRIVE
ane
/OPEN,
Loapl
re
SYSTEM
CONTROL/FL
DRIVE
/CLOSE
i
>
GoroH
(REST
!
ow
/OPEN
SW
=
1
+5V
REST
SW
/CLOSE
SW
/POWER
OFF
'
1
4
T.
P1-PIO
POWER
STANDBY
Se!
SOP
ENMDE
A
Pl22-PI26
PIL-PI6
1G-10G
SW
LED
REMOCON
S782
~
(CLOSE
DET.)
POWER
SUPPLY
CIRCUIT
022
POWER
OFF
DET.
22!
Q401,402
a
ee
tv
OFF
DET.
LM2940T5M
NN
i
'
D651
O
MC74HCIO7DR2
TANDBY)
1,23
+5V
fe
TRGEN
MC74HC74ADRZ
Efe
+7.7V
RCDHC
-278N
TEEN
Mc74HCs8epR2
!
S651
3
|
1C651
|
DIGITAL
POWER
SUPPLY
CONT.
KEY
MATRIX
(POWER)
REMOTE
(OPTICAL
OUT)
o16
L5G
sv
SENSOR
WAVEFORM
4g
~32.1V
SHAP
>|
O
Es
;
CIRCUIT
.
0891-893
ee
1
Lt
ae
From
POWER
TRANSFORMER
=(Z,
012,13
Q31-34
1
+13.6V
ae
eee
pe
sie
-12.9V
!
POWER
SUPPLY
CONT.
To
FLE6OI
3
OPERATION
CIRCUIT
LOADING
UNIT
fee
~15-

Other manuals for Technics SL-PS670A

Related product manuals