EasyManua.ls Logo

Technics SL-PS670D - Block Diagram Details; Circuit Block Diagrams

Technics SL-PS670D
34 pages
Print Icon
To Next Page IconTo Next Page
To Next Page IconTo Next Page
To Previous Page IconTo Previous Page
To Previous Page IconTo Previous Page
Loading...
SL-PS670A
the
belt
8]
SL-PS670A
7
7
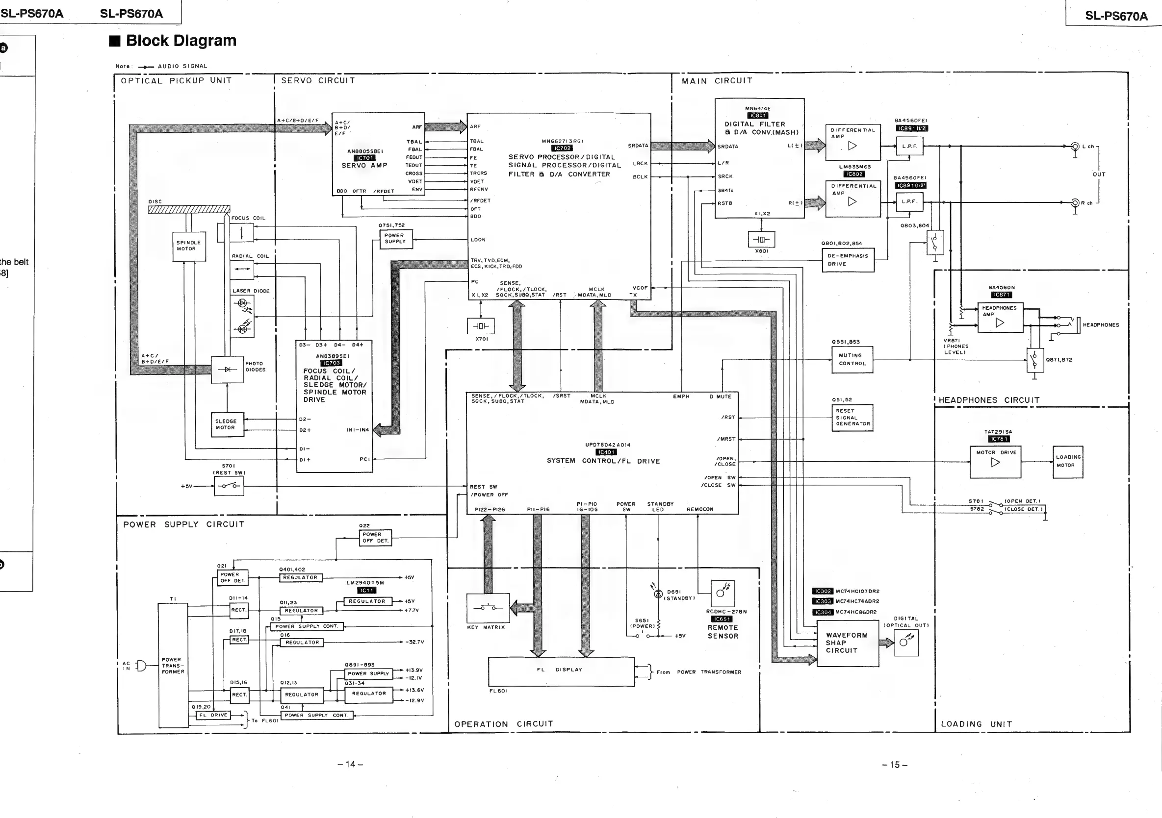
Block
Diagram
Note:
——pee
AUDIO
SIGNAL
1
|
OPTICAL
PICKUP
UNIT
SERVO
CIRCUIT
MAIN
CIRCUIT
ST
MN6474E
DIGITAL
FILTER
&
D/A
CONV.MASH)
A+C/B+D/E/F
BA4560FEI
DIFFERENTIAL
AMP
TBAL
MN662713RGI
q
ANB805SBE!
FRA
SRDATA
EN
SRDATA
>
LPF.
FEOUT
FE
SERVO
PROCESSOR
/
DIGITAL
TE
SIGNAL
PROCESSOR/DIGITAL
=
LRCK
TRCRS
FILTER
&
D/A
CONVERTER
BéLk
SERVO
AMP
TEOUT
LM833M63
BA4S60FEI
OIFFERENTIAL
1C89
1
(1/2)
BODO
OFTR
/RFDET
AMP
on
po
OFT
BD0
0751,752
Q803,804
SUPPLY
SPINOLE
MOTOR
Q801,802,854
DE-EMPHASIS
DRIVE
TRV,
TVD,ECM,
ECS,
KICK,TRD,FOD
Pc
SENSE,
/FLOCK,/TLOCK,
MCLK
VCOF
SOCK,SUBQ,STAT
/RST
=
MDATA,MLD
TX
XI,
X2
851,853
AN8B389SEI
3
MUTING
SS
SS
PHOTO
CONTROL
ue
—St—
|
dloves
FOCUS
COIL/
RADIAL
COIL/
a
SLEDGE
MOTOR/
SPINDLE
MOTOR
SENSE,/FLOCK,/TLOCK,
/SRST
c
DRIVE
Sock,
SUBG.STAT
MDATA.MLD
251,52
'
HEADPHONES
CIRCUIT
!
RESET
a
.
SLEDGE
o2-
SIGNAL
GENERATOR
woror
|
sd
saineine
tarzoisa
|
iC781
|
UPD78042
4014
,
MOTOR
ORIVE
/OPEN,
oo
SYSTEM
CONTROL/FL
DRIVE
ae
>
(REST
SW)
/OPEN
SW
REST
SW
/CLOSE
SW
7POWER
OFF
POWER
SUPPLY
CIRCUIT
22
PI-PIO
POWER
STANDBY
PIU-PI6
1G-10G
Sw
LED
REMOCON
Pl22-PI26
LM2940T5SM
'
ae
Mi
EGEREE
wcrancio7oRe
®
0
(STANDBY
MCT4HC74A0R2
RCDHC
~278N
MC74HC86DR2
S65!
DIGTTAL
KEY
MATRIX
(POWER)
REMOTE
(OPTICAL
OUT)
oi
oO
+5V
SENSOR
WAVEFORM
SHAP
CIRCUIT
POWER
ac
+
eaNee:
0891-893
'
FORMER
FL
DISPLAY
}
From
POWER
TRANSFORMER
POWER
SUPPLY
Q31-34
REGULATOR
Ee
POWER
SUPPLY
CONT.
To
FL6OI
FL6OI
PT
free
recone
TY
ae
OPERATION
CIRCUIT
aqae
S45:
$78!
$782
LOADING
(OPEN
DET.)
5
=~
{CLOSE
DET.)
UNIT
SL-PS670A
re
?r
ch
OUT
1
BA4560N
t
HEADPHONES.
AMP
O
HEADPHONES
Q871,872
LOADING
MOTOR
|

Related product manuals