EasyManua.ls Logo

Technics ST-8044 - Component Exploded View

Technics ST-8044
14 pages
Print Icon
To Next Page IconTo Next Page
To Next Page IconTo Next Page
To Previous Page IconTo Previous Page
To Previous Page IconTo Previous Page
Loading...
é
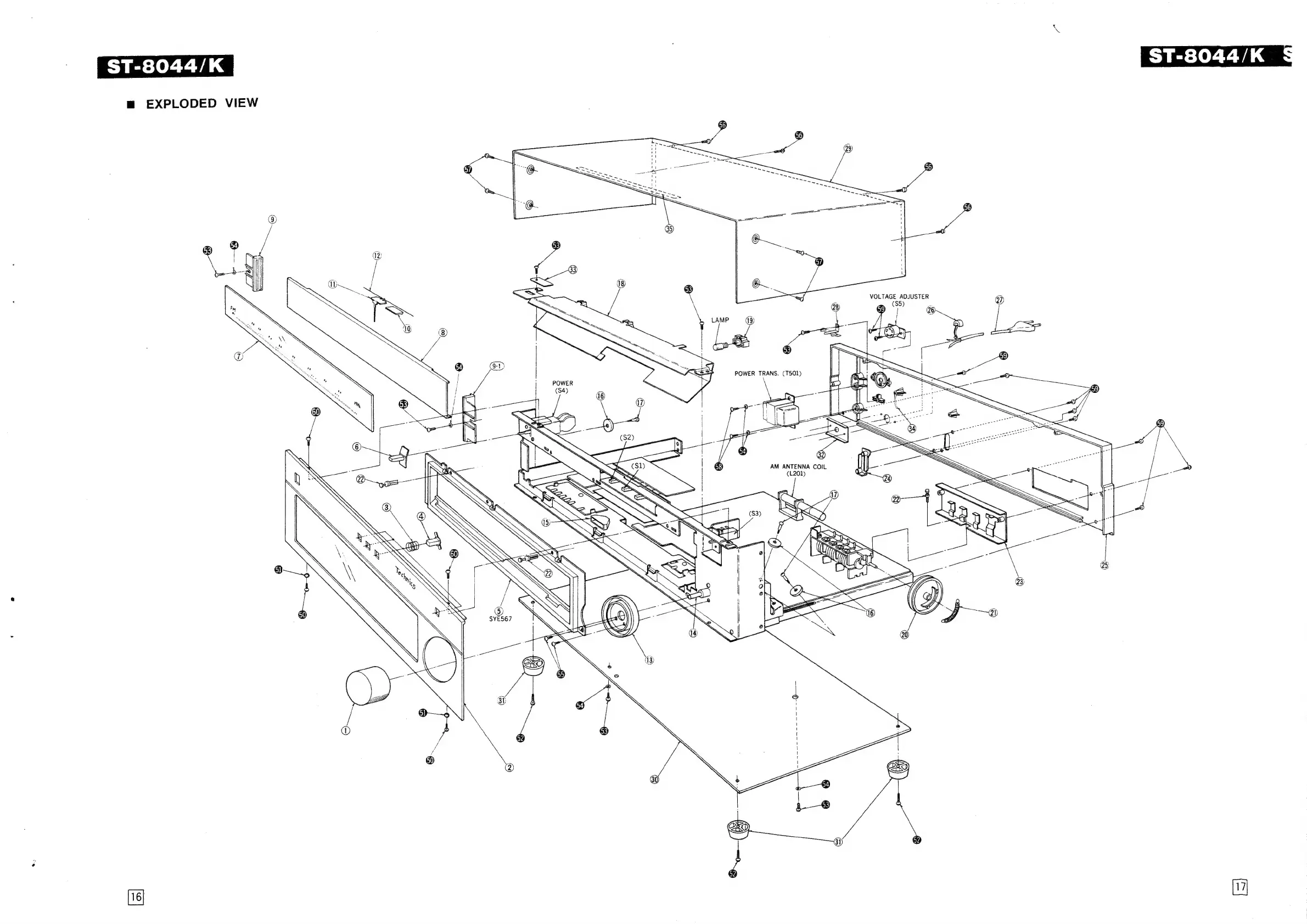
ST-8044/K
ST-8044/K
m
EXPLODED
VIEW
~
—_

Related product manuals