EasyManua.ls Logo

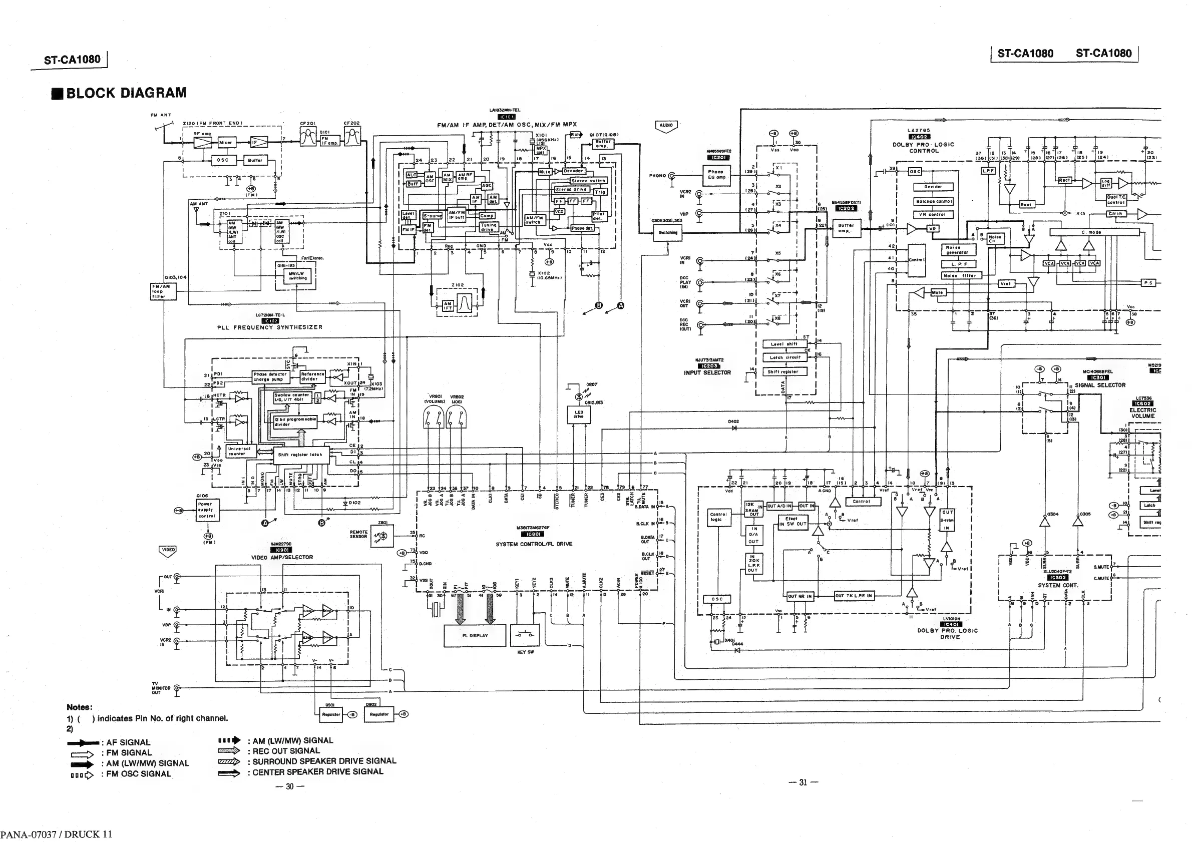
Technics ST-CA1080 - SYSTEM BLOCK DIAGRAM; Signal Flow and Control Logic

Technics ST-CA1080
31 pages
Print Icon
To Next Page IconTo Next Page
To Next Page IconTo Next Page
To Previous Page IconTo Previous Page
To Previous Page IconTo Previous Page
Loading...
ST-CA1080
|
|
ST-CA1080 ST-CA1080
|
M@
BLOCK
DIAGRAM
6
BASSSEFOXTI
FM
ANT
LAI@32MH-TEL
Ea
ZigoLEM
FRONT
ENO)
____
4
ce
20t
FM/AM
IF
AMP,
DET/AM
OSC,MIX/FM
MPX
(ae)
:
=
=p
ype
|
in
rr
X101
(Reh)
aio7ial0s)
G)
La27es
7
?
LF
amp.
Ty
(4seKnHz
Bai
=
uP
roared
DOLBY
PRO:
LOGIC
;
ANGSSESFE2
vss
-V00
7
|
CONTROL
a
|
ie
!
I
ce
ee
ree
eee
en
eee
aes
$38)
SLI
SONS?
|
ea
5
|
po
o
=
=O
|
|
|
|
|
vere
©
(26),
\
|
eer
oe
I
!
Rapier
on
mired
9
g
AM
RF
ii
a
eng
(ays
oe
=
1
3
x2
o
i
t
|
|
I
|
|
(27)
:
@301(302),303
_-44
9
sl
1x4
|
22)
|
Butter
[set
=
—_
I
|
Bens
|
'
i
ly
al
;
14
veri
if
!
.
i
weal
l
:
veal
oloce-t+
|
een
occ
t23))
\
FM/AM
PLAY
o
|
loo
(iN)
|
Q
I
filter
ol
“WF
--4
|
tA)
vent
¢g
é
tan
pane
|
(2
Lc72IeM-Te-L
a
ul
soggy
9)
ce
ay
~oe7
tt
PLL
FREQUENCY
SYNTHESIZER
REG
¢
o
f
|
st
|
Ciwerane
YY
wey
e
“Eg
eos
ee
4
NJU73IZAMT2
|
a
?
ECrEh
a
M5219
Reference
INPUT
SELECTOR
[shitt
cevisrer
|
McI4o66BFEL
charge
pump
divider
ae
ees
Pas
|
5
y,
SIGNAL
SELECTOR
xetR
[NY]
Swallow
counter
os
Oh
»
eae
|
;
scene
ieee
D7”
L
bak
|
e
=e
ae
|
LED
ELECTRIC
<
i
favicon
LH
it
Pee
Sie
Te
eee
i
.
Lo}
|
T]divia
Y
y
PL
ey
oni)
[EF
armen
FE
pares
s_hr7
437_}
4
$4.
-
322-4
3
alos
<
Zz
=
<
a
12
fo}
4
o
[ae
ee
Power
ag
3
2?
8
FEF
F
Fees
le
)
supply
6
b
IF
OF
B.DATA
IN=—
A:
control
1
:
nal
oe”
=
ys
B.CLK
INQ
B
meuore
M3@I73M6276F
:
me
Pee
“®
v
mm
B.DATA
l,
;
(vous)
ae
are
|
SYSTEM
CONTROL/FL
DRIVE
an
B.CLK
18
5.
OUT
l
our
&
w
o
RESET
2
Pg
og
Bs
¢
3
<
oo
J
DOLBY
PRO.
LOGIC
DRIVE
Tv
MONITOR
OUT
Notes:
1)
(__)
indicates
Pin
No.
of
right
channel.
2)
mene
:
AF
SIGNAL
ans;
AM
(LW/MW)
SIGNAL
:
FM
SIGNAL
:
REC
OUT
SIGNAL
mum
=:
AM
(LW/MW)
SIGNAL
@iZ>
:
SURROUND
SPEAKER
DRIVE
SIGNAL
aogc>
:FM
OSC
SIGNAL
ee
-
CENTER
SPEAKER
DRIVE
SIGNAL
30
—31—
PANA-07037
/
DRUCK
11

Related product manuals