EasyManua.ls Logo

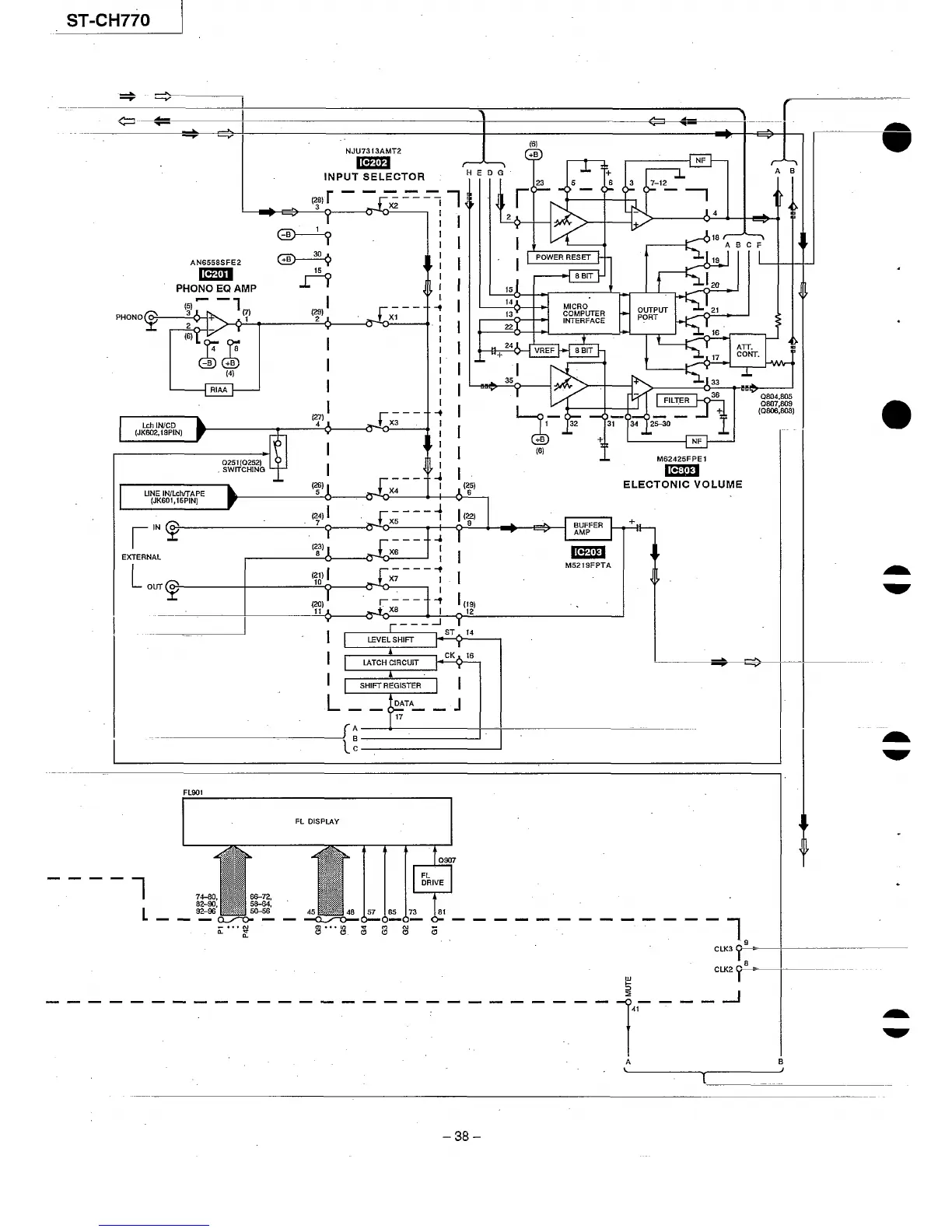
Technics ST-CH770 - Phono EQ, Input Selector, Microcomputer Interface, and Volume Blocks

Technics ST-CH770
62 pages
Print Icon
To Next Page IconTo Next Page
To Next Page IconTo Next Page
To Previous Page IconTo Previous Page
To Previous Page IconTo Previous Page
Loading...

Related product manuals