EasyManua.ls Logo

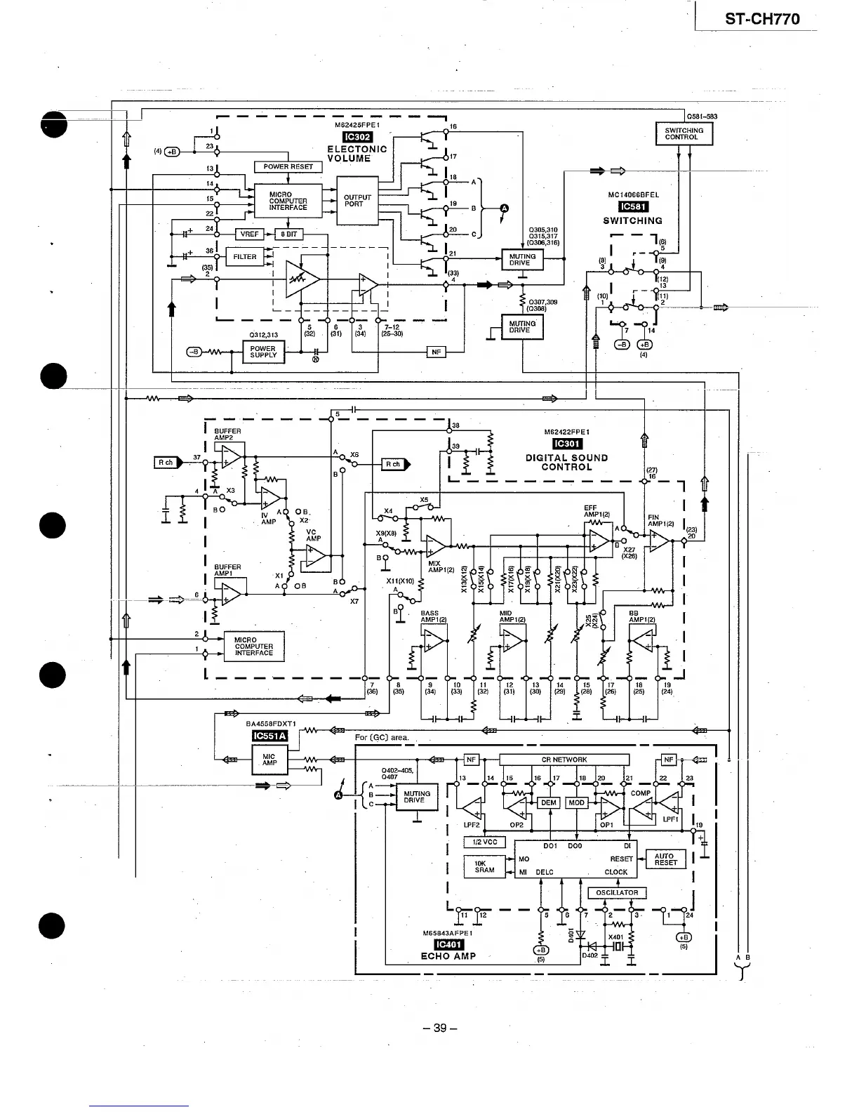
Technics ST-CH770 - Digital Sound Control, Echo Amplifier, and CR Networks

Technics ST-CH770
62 pages
Print Icon
To Next Page IconTo Next Page
To Next Page IconTo Next Page
To Previous Page IconTo Previous Page
To Previous Page IconTo Previous Page
Loading...

Related product manuals