EasyManua.ls Logo

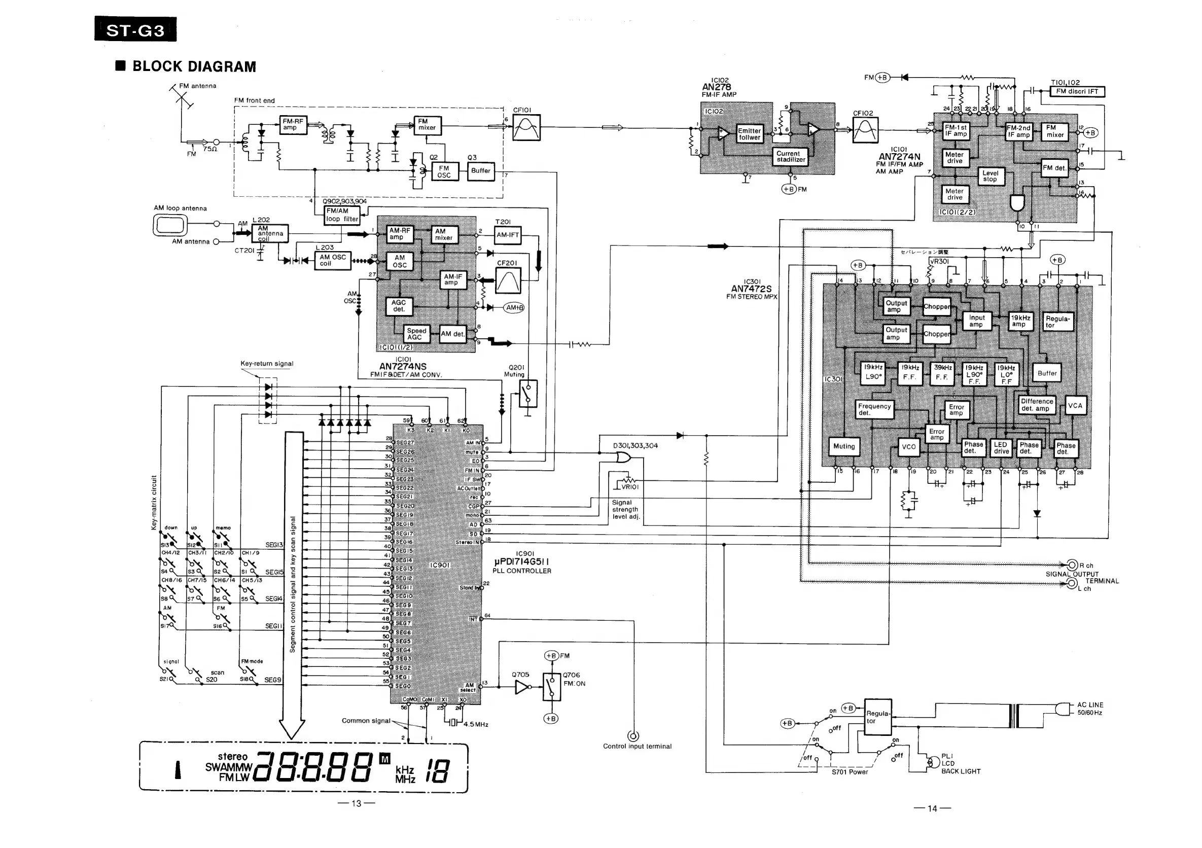
Technics ST-G3 - Block Diagram; System Block Diagram

Technics ST-G3
21 pages
Print Icon
To Next Page IconTo Next Page
To Next Page IconTo Next Page
To Previous Page IconTo Previous Page
To Previous Page IconTo Previous Page
Loading...
ST-G3
@
BLOCK
DIAGRAM
ICclo2
TIOI102
Haanienng
AN276
|
[
FM
discri
IFT
FM
front
end
20)
19
i
“=.
CFIOIL
CFIO2
oe
HL
mo
x
=
(aa
es
amp
[FY
PF
mixer
yr
ae
as
{
[SOF
2
IC1Ot
ey
Pont
AN7274N
FM
IF/FM
AMP
|
AM
AMP
4}
Q902,903,904
AM
loop
antenna
FM/AM
L202
loop
filter
©
AM
zi
antenna
coi
AM
antenna
©
sears
L203
CNY
3
Ree
AM
OSC
coil
igs
Pam
Ca
AN7472S
FM
STEREO
MPX
;
IClO}
Key-return
signal
AN7274NS
Q201
ae
FM!F
&DET/
AM
CONV.
Difference
det.
amp
0301,303,304
E
VRIO!
rs)
fas
Signal
q
strength
&
=
level
adj.
5
:
i;
x<
|
down
up
2D
ae
o
S
PS
§
SI3
12
°
aHasi2
[CH3/it
|CH2710
a
ICSOI
;
5
oN
3
pPDI7I4G51|
Rich
IGNAL_OUTPUT
sah
fsx
|s20
z
Poe
eOLten
as
TERMINAL
CHEB/I6
|CH7/I5
|CHG/I4
3
22
Lech
ON,
o%
0
5S
$8
Q
s7Q_
|s6
0
=
AM
FM
gs
a
c
ON
ON
8
$172
si6Q
=
e
—-
Q
a”
4+B)FM
signal
FM
mode
oO
OX
scan
ON
Q705
a706
$21Q
Q’
$20
S1I8Q
SEG9
13
is
0
|
FM:ON
O
AC
LINE
50/60
Hz
stereo
errno
mete
cere
cs
oo
es
ee
oe
es
ee
ees
itd
2.0
G"
Common
signal
SI
2
|
©
Control
input
terminal
kHz
pO)
ee
1G
PLI
5
ico
BACK
LIGHT
$701
Power

Related product manuals