EasyManua.ls Logo

Technics ST-G460 - Page 8

Technics ST-G460
17 pages
Print Icon
To Next Page IconTo Next Page
To Next Page IconTo Next Page
To Previous Page IconTo Previous Page
To Previous Page IconTo Previous Page
Loading...
ST-G460
ST-G460
m@
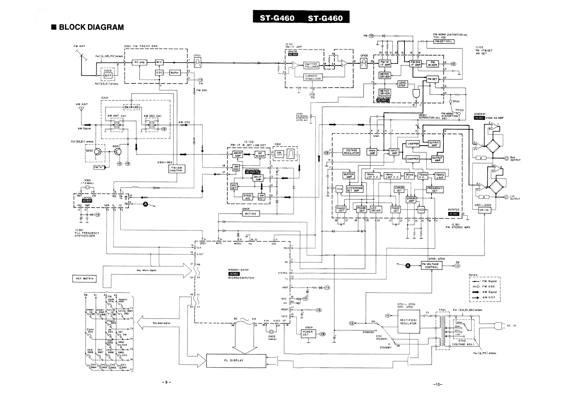
BLOCK
DIAGRAM
4
FM
MONO
DISTORTION
adj.
Oe
:
TIO1.102
FM
DET
COIL
IC
101
FM
ANT
ZOO|
FM
FRONT
END
EM-1F
AMP
‘eiee
(—_----—
CC
Ce
ee
-——
oS
FM
IF
&
DET
|
7]
|
ano7e
|
:
|
24]
24
21}
2
19
6
AM
DET
Forl
GCN
PX
]areds..|
|
CFIOI
|
11C
101)
|
°
|
CFI02
[~
7
“Yr
woe
ny
y
On
read
|
y
Tau
|
8
Fer
25
FN-I
ss
RF
am
MI
X
b
M-Ist
FM-2nd
12
ty
v
iM
P
EMITTER
|_
Ja]
6
e
tal
vo")
IF
AMP
IF
AMP
y—¢B)
>
_
:
FOLLOWER
|
.
ZOO
8
6
aid
ose
|
|
rae
se
z
CURRENT
|
DRIVER
5
2
4
|
8)
|
STABILIZER
|
|
FM
DET
fo—4
eure
7
For
{EG,E!J
areas.
L
ae
oe
oe
=
FM
L
7
le
LEVEL
Gan
:
—_
oieiaiiendaal
C)
memes
WR
tee
EEE
CE
|
P
FM
OSC
i
5
|
(
+8)
Z201
FM
|
AN7274NS
SSS
Se
Pe
ae
L
IC
102
('3)
AM
ANT
..
eee
|
Ba
eee
|
.
VR101
ee
FM
MONO
~
AN6S54F
|
|
AM
ANT
Coil
AM
OSC
Coil
EM
SIGNAL
SEPARATION
adj.
adj
MICRIEN
cioss
aa
amp
r
ff
i
|
O
O
O
LEVEL
adj.
:
e
O
|
O
0
v
E
AM
Signal
|
OC)
C)
O
+8)
|
:
|
|
ey
ee
Ss
ee
ee
|
_———-—
+=
Oe
Oe
ea
ee
i
.
For
(EG,E!)
areas.
é
ic
102
ee
3
a
iis
-
|
1
ceo
ovo
@
pera
pen
SA
:
>
lI
|
Ny
|
a
ee
OE
Page
ee]
O)
Reh
L—_
——-
J
6)
66)
Q901~
903
FM"H
?
FM/AM
Loop
filter
x90I
(7.2
MHz)
]
D
Q30!
~
Q303
AN7472S
MUTING
exten
7
IC
30]
FM
STEREO
MPX
1C
90!
PLL
FREQUENCY
SYNTHESIZER
rah
18
16
15
ee
13
ia
aD
C)
mE
C)
—_D
ae
©
SRDY
MUTE
MONO
Vss
soc
7
7
O
CLK
SSL30
Q703
,
Q@704
FM
FM
VOLTAGE
A
CONTROL
8)
(
MS0941-421SP
,
)
IC902
STEREO
Notes:
R3
|
|
|
|
|
8
Sd
QO
|
ly
Key
return
signal
KEY
MATRIX
MICROCOMPUTER
T1Q
a
:
FM
Signal
aagpreem
,
|
:
oooqc>:
FM
OSC
|
ee
Sg
|
a:
AM
Signal
|
56
T1
|
|
i
PE
hea
(
|
usm:
AMOSC
|
memory
L
arene
|
5°)
|
rs
eS
(i)
i
cc
()
-Y7-
)
(
Sneng
D701
~
D706
11
7
Q7O!
,
Q702
preset
tuning
down
RESET
©
T70!
For
(EG,EI,GN
J
areas.
ON,
$922
A
aac
OO
O
OO
T2
:
K
i
|
——
.
O)
R T
ey
scan
signa
;
28
a
O
4B)
,
EGULATOR
AG
AN
O)
Signal
T3
O
\
$915
ll
STANDBY
|
x902
ug
$70l
\
fl
T4
(4MHz)
(POWER)
Bee
ge,
Ot
Vos
!
o
be
ee
|
(VOLTAGE
aC
STANDBY
For([G,PX]
areas.
FL
DISPLAY

Related product manuals