EasyManua.ls Logo

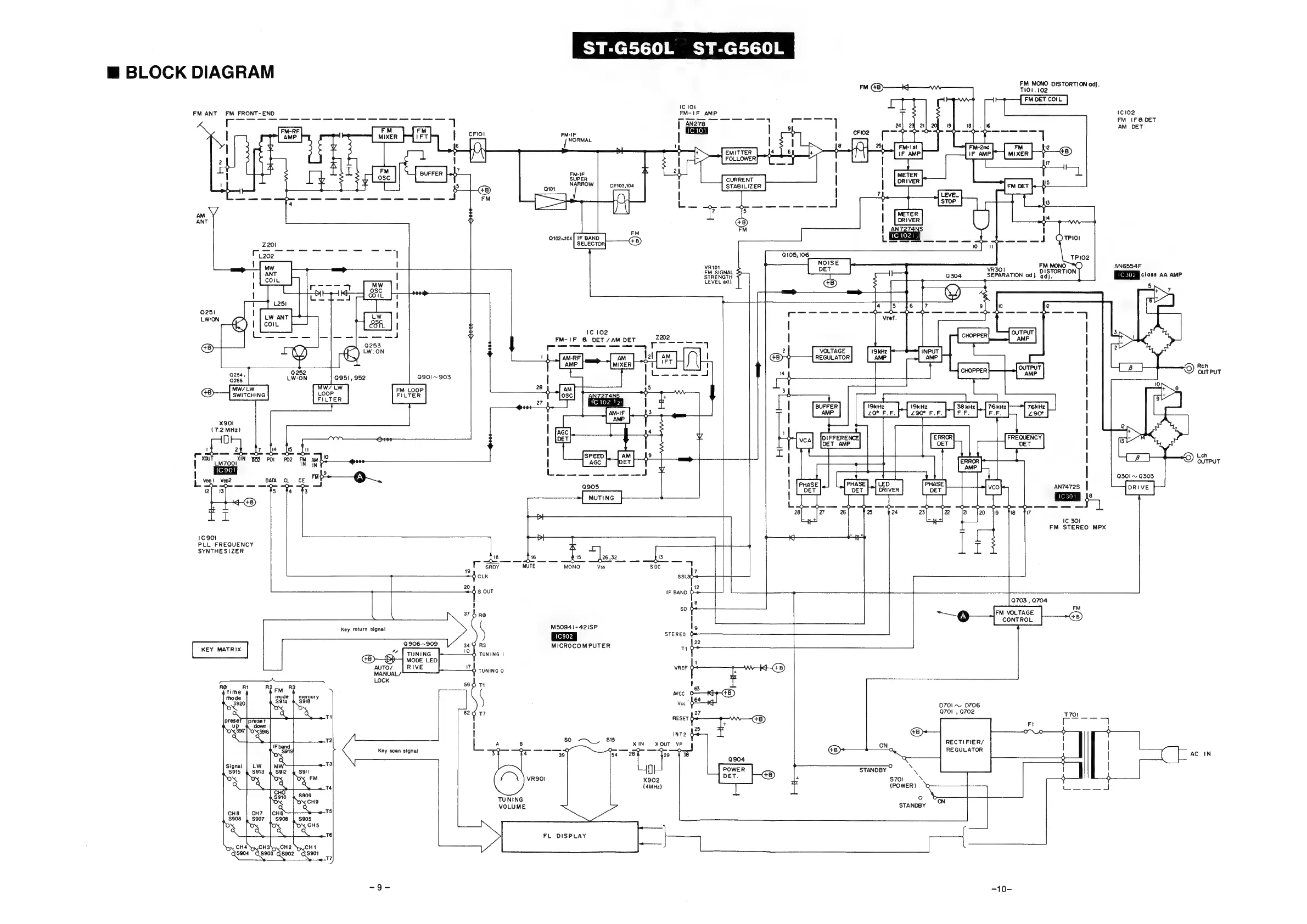
Technics ST-G560L - BLOCK DIAGRAM

Technics ST-G560L
19 pages
Print Icon
To Next Page IconTo Next Page
To Next Page IconTo Next Page
To Previous Page IconTo Previous Page
To Previous Page IconTo Previous Page
Loading...
ST-G560L
ST-G560L
m@
BLOCK
DIAGRAM
NIN
—19
DATA
GL
CE
rip
o~.
—_——
—.
on)
95
no
5
Q905
g
FM
MONO
DISTORTION
adj.
FM
G8)
q
TIO1.102
FM
DET
COIL
IC
101
FM
ANT
FM
FRONT-END
FM-1F
AMP
1c102
lAND?A
Sa
FM
IF
&
DET
|
ANz7e
3
]
24}
24
2i|
204
19
6
AM
DET
FM-IF
|
IC101
e
|
CFIO2
T~
O-
=O
<O=
=
O
O=
<O
aes
ai
AL
FM-2nd
12
Js
IF_AMP
arte
|
a,
7
‘a
15
FM
DET
fe
,
in
:
1
Q102.
IF
BAND
EM
102104
CB)
er
Q105,
106
VR101
FM
MON
AN6554F
VR301
STRENGTH
SEPARATION
adj.
Oy;
OR
TION
GETZ
c!oss
aa
ame
LEVEL
adj.
GB)
.
7
0251
ee
es
eS
LW:ON
IC
102
|
|
¢8)
2
VOLTAGE
|
G8)->
REGULATOR
|
14
Q951,
952
Q901~903
l
MW/
LW
MW/
LW
FM
LOOP
3
G8)
TCHI
LOOP
SWITCHING
LOOP
FILTER
.
|
x90!
|
(7.2
MHz)
|
|
2
bz
14
US
A
|
rr
—=
:
XOuT
XIN
|
Lmzoor™
B02
PD!
P02
EM
AM
6
|
IC90l
l
ANT472S
MUTING
t2
(7
b
IC
301
FM
STEREO
MPX
1901
N
=
PLL
FREQUENCY
a
SYNTHESIZER
|
ee
gio
J
15
26
32
uz
13
—_
19
c
SRDY
MUTE
MONO.
Vss
soc
7
7
©
CLK
SSL3D
al
©
S
OUT
IF
BAND
©
8
Q703
,
Q704
so
g
Key
return
signal
FM
FM
VOLTAGE
RO
|
A
CONTROL
(+8)
M5094
1-421SP
ly
STEREO
9
Q906
~909
R3
MICROCOMPUTER
KEY
MATRIX
TUNING
TUNING
|
TUNING
0
LOCK
oR
R22.
R3
56071
time
(
mode
memory
$918
D701~
0706
%
«|
62647
Q701
,
Q702
preset
Toi
so
S15
“~~
XIN
XOUT
VP
q
|
A
8
a
aoe
ee
©
a.
Sat9
Key
scan
signal
3
4
301
54
28
29
Signal
a3
$915
0
VR9OI
x902
a
(4MHz)
HO
RECTIFIER/
REGULATOR
AC
IN
—ooooo
See
STANDBY
#
$701
(POWER)
foe
el
TUNING
o
>
VOLUME
STANDBY
cH
$908
aS
FL
DISPLAY
-10-

Related product manuals