EasyManua.ls Logo

Technics SU-610Amplifier - Page 9

Technics SU-610Amplifier
20 pages
Print Icon
To Next Page IconTo Next Page
To Next Page IconTo Next Page
To Previous Page IconTo Previous Page
To Previous Page IconTo Previous Page
Loading...
|
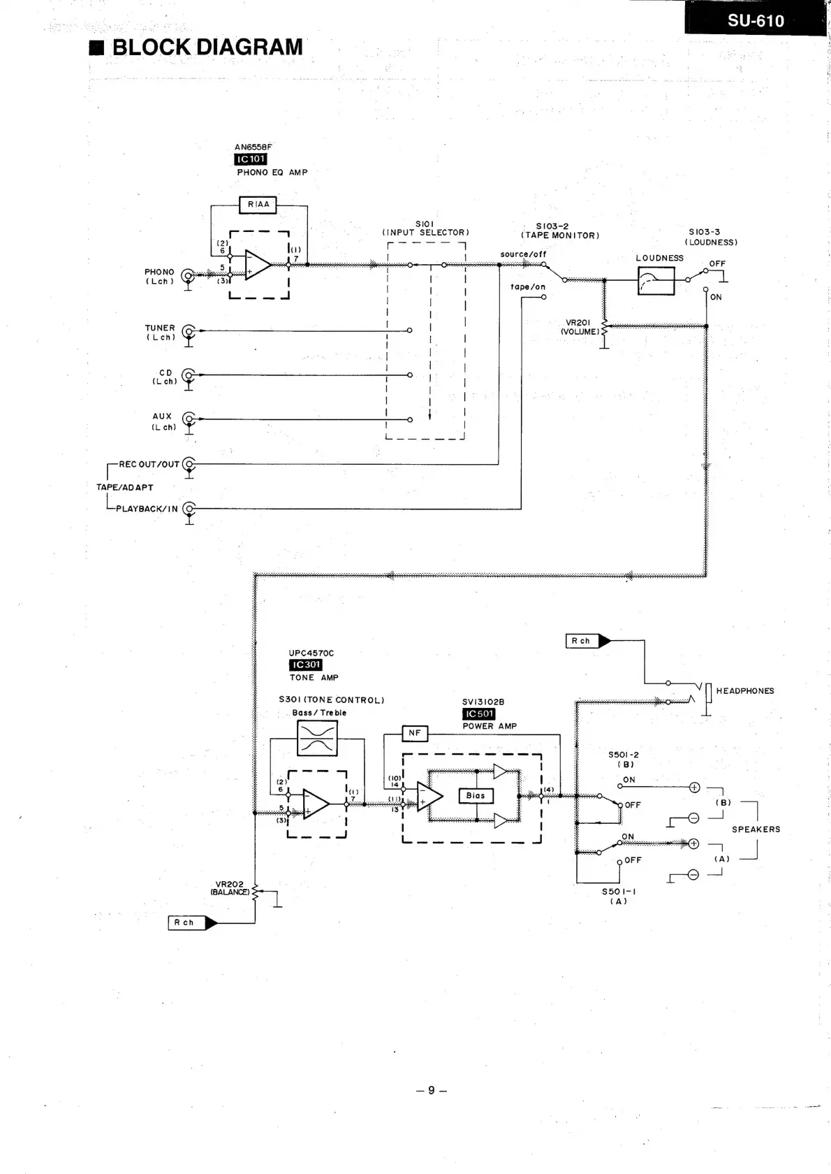
BLOCK
DIAGRAM
_
AN6S58F_
PHONO
EQ
AMP
(INPUT
SELECTOR)
(TAPE
MONITOR)
a
$103-3
r----
4
:
pitas
;
(
LOUDNESS)
=
source
/off
a
io
ale dna
switiahe
kein
wtiwcaietecesorele
eo
ED
easeee
|
weereees
C)
:
sles
neans
tee
cs
natn
ais
ene
; 3
L
O
U
D
N
ESS
:
Ae)
F
F
REARS
@
UCC
SEERER
RCCL
RRRRRE.
ORREE
a
;
| :
:
l
|
:
|
Oates
—_
fj
l
tape/on
i
O
|
|
ON
|
|
|
:
|
(;3
£
|
l
.
VMR2OI
LO
ET
Te
Te
TUNER
|
(VOLUME)
OOO
EAA
EARS
ey
1
(Lech)
|
|
|
mags
UE
eo
=
|
|
Ei
Po
|
|
|
i
CD
¢
pape
Bia
4
(L
ch)
|
i
i
Ee
(L
ch)
ie
|
£
“i
Te
L———
—-—
J
}
i
fis
ousioune
TAPE/AD
APT
PLAYBACK/IN:
¢
wettest
tetetat
etal
atatatetatte
tater
etatatatatatatatatatataty
steele
atatatetetetete
tate
ete tat
ttt
tt
heme
mie
anata
alata
e
states
atetatetytetetetet
ste
eMMAG
HEE
4.6
4
KE
Ek
ee
ea
tk
ee
add
~UPC4570C
TONE
AMP
HEADPHONES
$301
(TONE
CONTROL)
SVi3102B
sposeanceeceeccocerceecrmecemcei
aaa
|
.
Bass/
Treble
|
+
|
POWER
AMP
SPEAKERS
=
eH)
ave
|
|
5
OFF
r-O
gal
-VR202
(BALANCE)
Geen

Related product manuals