EasyManua.ls Logo

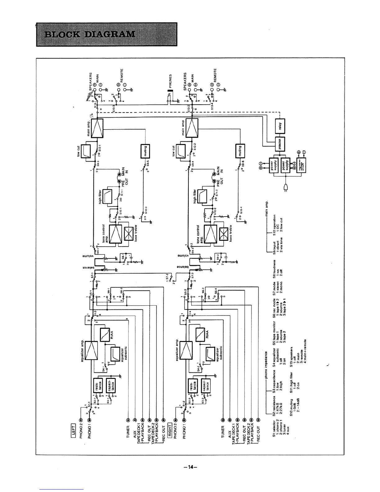
Technics SU-8080 - Block Diagram

Technics SU-8080
14 pages
Print Icon
To Previous Page IconTo Previous Page
To Previous Page IconTo Previous Page
Loading...

Other manuals for Technics SU-8080

Related product manuals