EasyManua.ls Logo

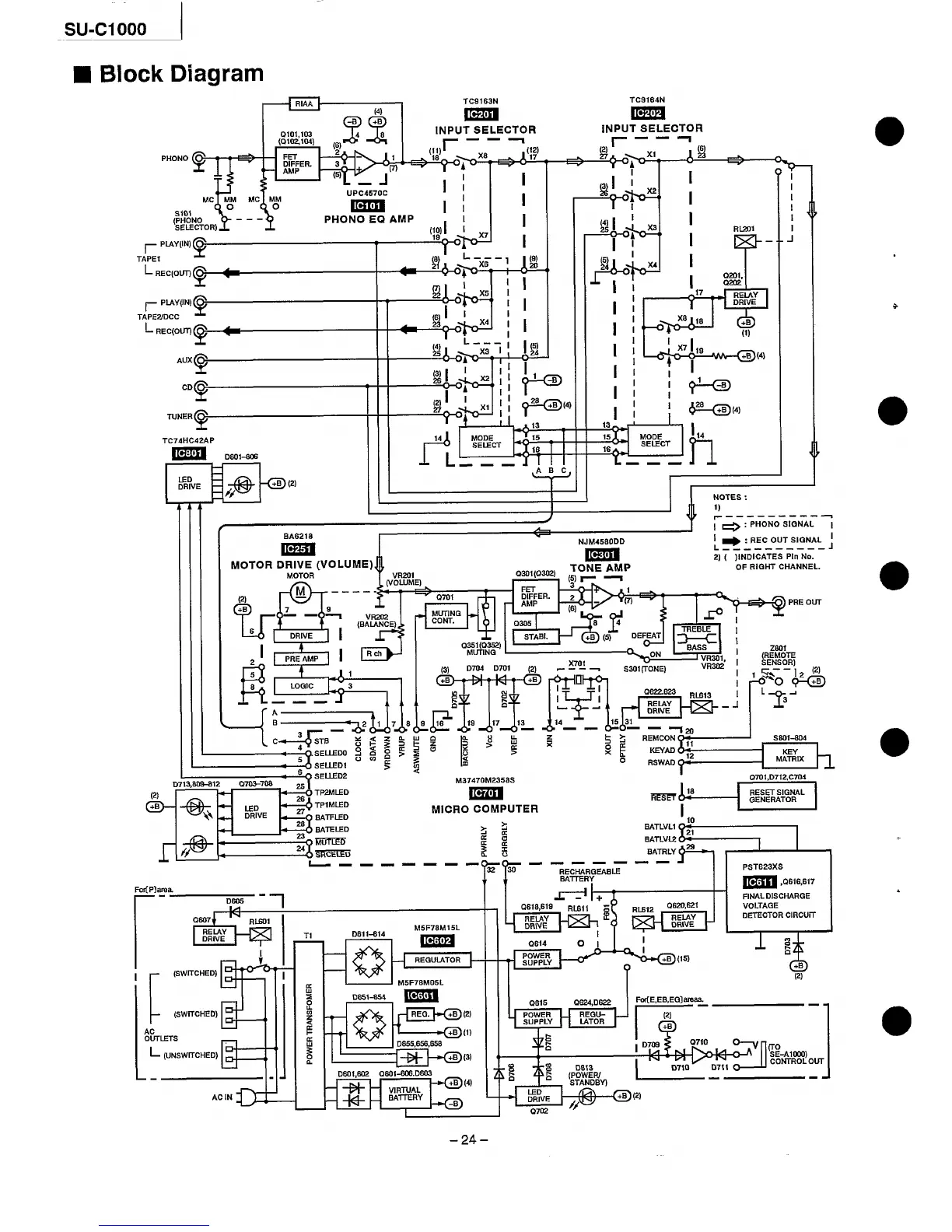
Technics SU-C1000 - System Overview; Block Diagram

Technics SU-C1000
32 pages
Print Icon
To Next Page IconTo Next Page
To Next Page IconTo Next Page
To Previous Page IconTo Previous Page
To Previous Page IconTo Previous Page
Loading...

Related product manuals