EasyManua.ls Logo

Technics SX-PC25 - Mode Setting Options; Keyboard Touch Sensitivity; Reverb Effect Control; Pitch Tuning Adjustment

Technics SX-PC25
55 pages
Print Icon
To Next Page IconTo Next Page
To Next Page IconTo Next Page
To Previous Page IconTo Previous Page
To Previous Page IconTo Previous Page
Loading...
(Step2)
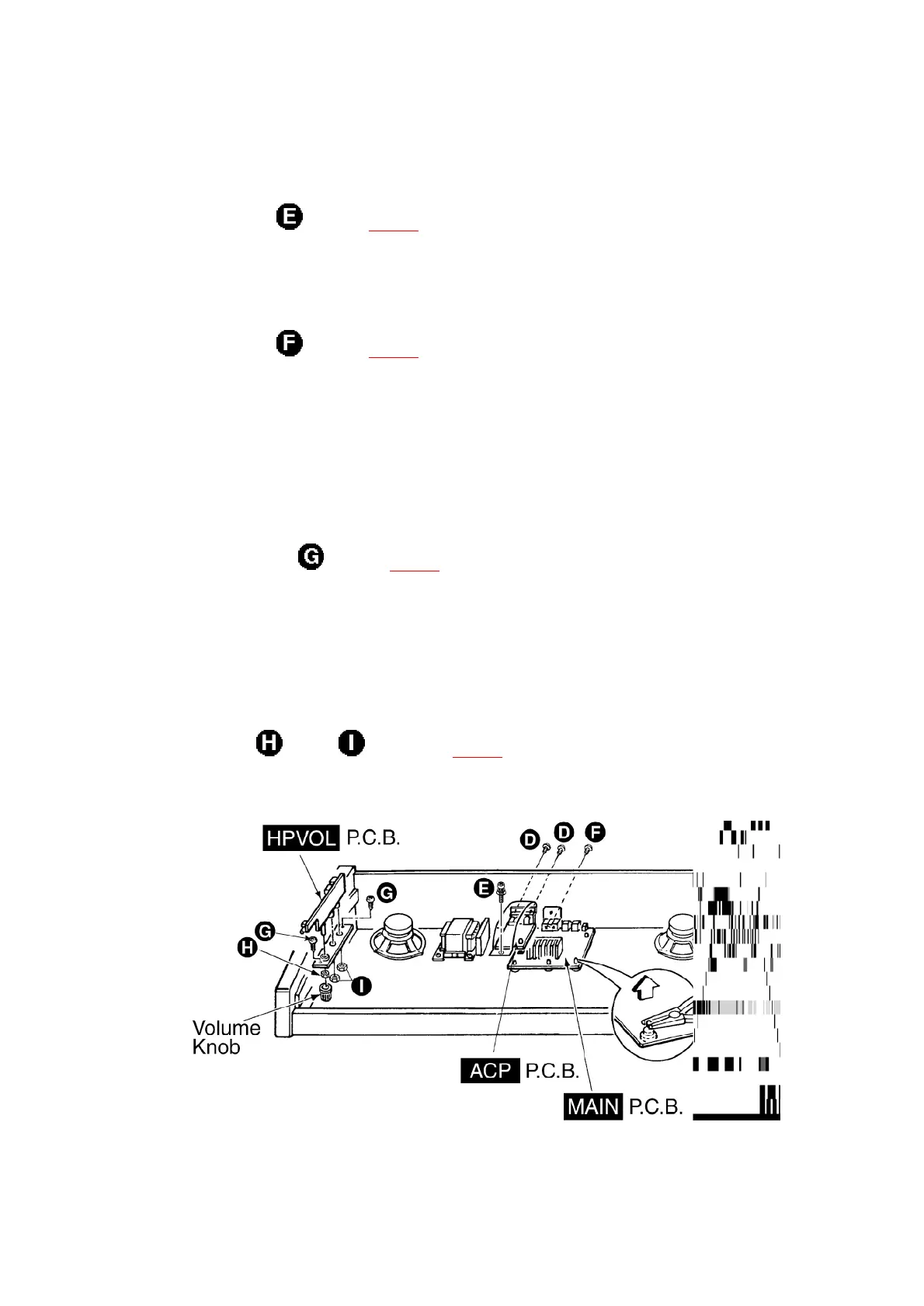
Remove the screw (refer to [Fig. 6] ).
- MAIN P.C.B.
(Step1)
Remove the screw (refer to [Fig. 6] ).
(Step2)
Release the claws of the 5 P.C.B. holders.
- HPVOL P.C.B.
(Step1)
Remove the 2 screws (refer to [Fig. 6] ).
(Step2)
Remove the volume knob.
(Step3)
Remove the nut ×1 and ×2 (refer to [Fig. 6] ).
[Fig. 6]
8. Symptoms Which Appear to be Signs of Trouble
9

Other manuals for Technics SX-PC25

Related product manuals