EasyManua.ls Logo

Technics SX-PR603 - Page 109

Technics SX-PR603
125 pages
Print Icon
To Next Page IconTo Next Page
To Next Page IconTo Next Page
To Previous Page IconTo Previous Page
To Previous Page IconTo Previous Page
Loading...
D1
ERA1502V5
D2
ERA1502V5
D7
D9
D3
C2
50V6800
C4
IP3
L1
QLBG005A
IP7
+VCC1
+VCC
1
R1
10K
R2
10K
SNS
D5
SVDGS3V20-15
C3
50V6800
L2
QLBG005A
C5
IP4
L3
QLBG005A
R98
6.8
C8
50V1
D13
MA4160M
D15
MA4180
R6
10K
Q4
2SB1548A-P
Q2
2SD2374A-P
Q3
2SA1015
Q1
2SC1815
IP8
-VCC
-VCC1
1
-15
+15HM
L4
QLBG005A
R12
3.3K
R10
47K
R9
100K
D20
EK04W
R11
10K
F
R97
6.8
F
+15
+15 +15A
R5
10K
R102
6.8K
R101
6.8K
C6
50V1
D14
IP5
MA4180
D12
MA4160M
C7
16V10
C9
16V100
C11
16V10
C13
16V100
-15 -15A
IP6
+15
PMUT
-VCC
+VCC
1 3 4
5678
2
-15
HPL
+15
R24 22
R23 330K
R25
2.2K
R22
220K
C15 10P
C16
0.1P
R16 330K
C14 10P
Q15
2SD592A
Q14
2SB621A
LOLLOR
R26
4.7
R21
22
SUML
SUMR
HPR
+15
R15
220K
R18 22
R19
2.2K
Q13
2SD592A
Q12
2SB621A
R27
22
-15
F
F
F
IC1
M5218AL
(HEADPHONE AMPLIFIER)
GATE-A1
Q16
FX30KMJ-3
Q9
2SC1815
Q10
2SA1015
Q17
FS30KMJ-3
C52
50V220
25J
29K
R20
4.7
F
-VCC
+VCC
1 3 4
5678
2
IC8
M5218AL
(INTEGRATOR)
-VCC
+VCC
1 3 4
5678
2
IC9
M5238L
(INTEGRATOR)
-15
-10
+15
+15
R66
220K
C66
50N1
R68
39K
R70
1M
C48
470P
C64
0.1P
R69
100K
R71
2.2K
C50
0.0022
R65
39K
R56
39K
R67
2.2K
C47
22P
C43
22P
R57
220K
R58
2.2K
N
C65
50N1
N
R59
39K
R61
1M
C44
470P
C63
0.1P
R60
100K
R62
1.5K
VR1
1K
C46
0.0022
GATE-A2
-VCC
+VCC
C51
50V220
C53
2.2
L7
GATE-B1
Q18
FX30KMJ-3
Q19
FS30KMJ-3
25J
29K
GATE-B2
-VCC
+VCC
C57
2.2
L8
QLQGT1D600MA
+15M
HPS
R14
100K
D21
MA165
D22
EK04W
R13
330K
+15HM
Q11
2SA1015
TF
SVDGS3V20-15
SVDGS3V20-15
SVDGS3V20-15
N75
N75
N10
N10
TF
TF
QLQGT1D600MA
TF
N75
N75
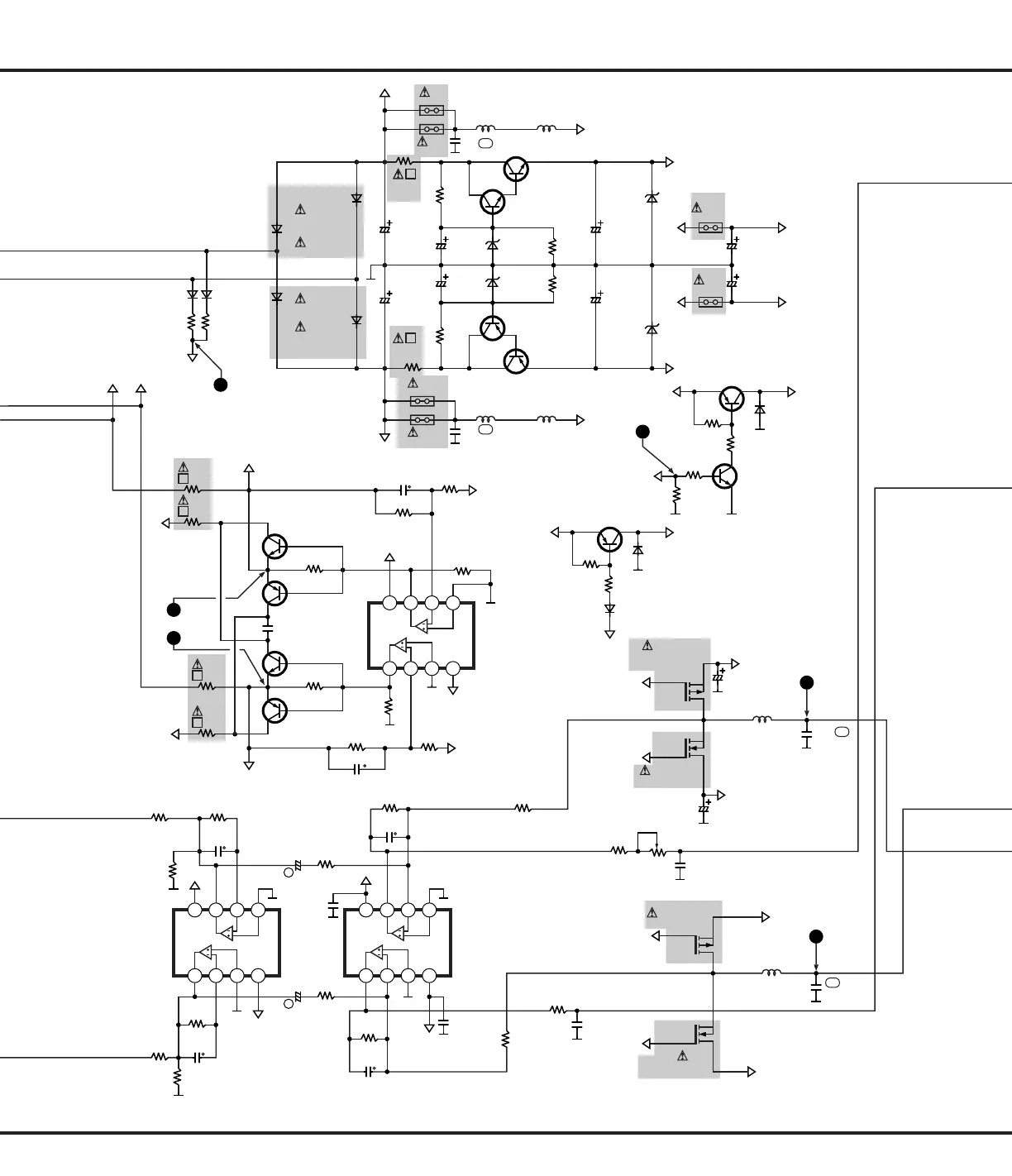
SCHEMATIC DIAGRAM-17
SNS
1
PMUT
2
SPR
8
SPL
7
HPR
6
HPL
5

Related product manuals