EasyManua.ls Logo

Technics SX-PR603 - Page 110

Technics SX-PR603
125 pages
Print Icon
To Next Page IconTo Next Page
To Next Page IconTo Next Page
To Previous Page IconTo Previous Page
To Previous Page IconTo Previous Page
Loading...
1
CN8
2
3
4
5
6
7
8
9
1
CN6
2
3
4
5
6
7
8
9
1
CN9
2
3
4
5
6
7
8
9
1
CN7
2
3
4
5
6
7
8
9
Q105
2SA970
Q101
2SA1015
Q102
2SC1815
Q103
2SA1015
Q104
2SA1015
Q107
2SC1815
Q108
2SA1015
Q106
2SC2240
D102
MA165
C101
150P
R102
1.5K
-15A
R105
220
D104
JP
C102
680P
R109
10K
R110
10K
R101 220
D101
MA165
R104
4.7K
+15A
-15A
+15A
-VCC-A
MT
+VCC-A
R103
1.5K
R106
220
R107
470
R108
470
D103
JP
Q121
2SC1815
Q109
2SA1015
Q122
2SA1015
Q110
2SC1815
+VCC-A
C103
680P
-VCC-A
Q115
2SA970
Q111
2SA1015
Q112
2SC1815
Q113
2SA1015
Q114
2SA1015
Q117
2SC1815
Q118
2SA1015
Q116
2SC2240
D108
MA165
C104
150P
R114
1.5K
-15A
R117
220
D110
JP
C105
680P
R121
10K
R122
10K
R113 220
D107
MA165
R116
4.7K
+15A
R115
1.5K
R118
220
R119
470
R120
470
D109
JP
Q123
2SC1815
Q119
2SA1015
Q124
2SA1015
Q120
2SC1815
+VCC-A
C106
680P
-VCC-A
-15A
+15A
-VCC-B
+VCC-B
1
2
3
4
5
6
CN4
1
2
3
4
CN5
- - -
SPL+
SPL-
- - -
SPR+
SPR-
R77
22
C62
50V1.5
R79
0.1
R78
0.1
Y
R76
22
C61
50V1.5
Y
-15A
+15A
-VCC
+VCC
GATE-A2
GATE-A1
MT
-15A
+15A
-VCC
+VCC
GATE-B2
GATE-B1
R80
22K
R81
15K
R82
33K
Q20
2SC1815
Q21
2SC1815
Q23
2SC1815
Q26
2SC1815
Q24
2SC1815
Q25
2SA1015
R83
22K
R84
15K
R85
33K
R86
+15A
+VCC
10K
R92
10K
R93
4.7K
D25
MA4220M
D24
MA165
R96
10K
D26
MA4220M
R95
3.3K
C67
0.0047
Q22
2SC1815
R87
100K
R89
100K
D23
MA165
HPS
R91
4.7K
R90
10K
Q28
2SC1815
Q29
2SA1015
Q27
2SC1815
MT
+VCC
R94
47K
PMUT
F
FF
F F
F F F
F F
F F
TO
SP.
BOX
SP3
15cm,8
SP4
15cm,8
ASUB CIRCUIT
H
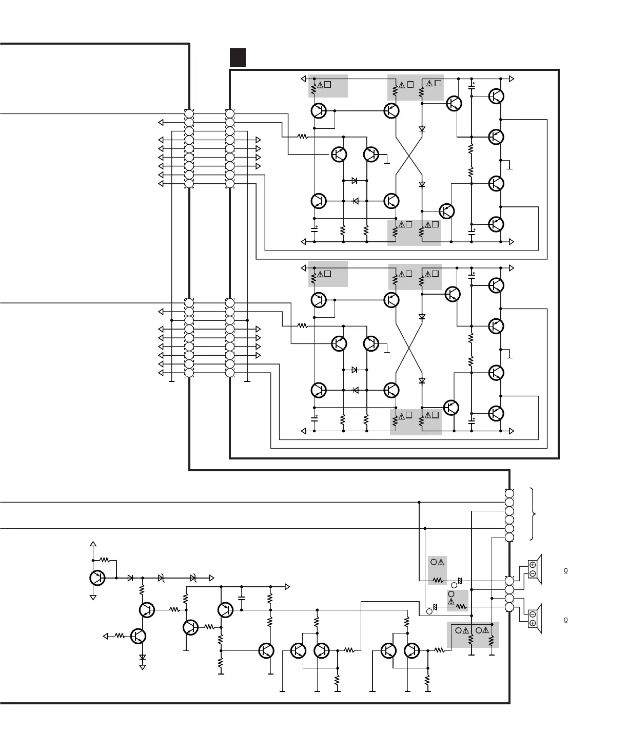
SCHEMATIC DIAGRAM-18
F
F

Related product manuals