EasyManua.ls Logo

TECNOEKA EKF 423 M - Page 14

TECNOEKA EKF 423 M
15 pages
Print Icon
To Next Page IconTo Next Page
To Next Page IconTo Next Page
To Previous Page IconTo Previous Page
To Previous Page IconTo Previous Page
Loading...
TECNOEKA Srl ______________________________________________________________ use and instruction manual
page 14 __________________________________________________________________________________________
MO
MOMO
MOD
DD
D.
. .
. E
EE
EKF
KF KF
KF 4
44
423 M
23 M23 M
23 M
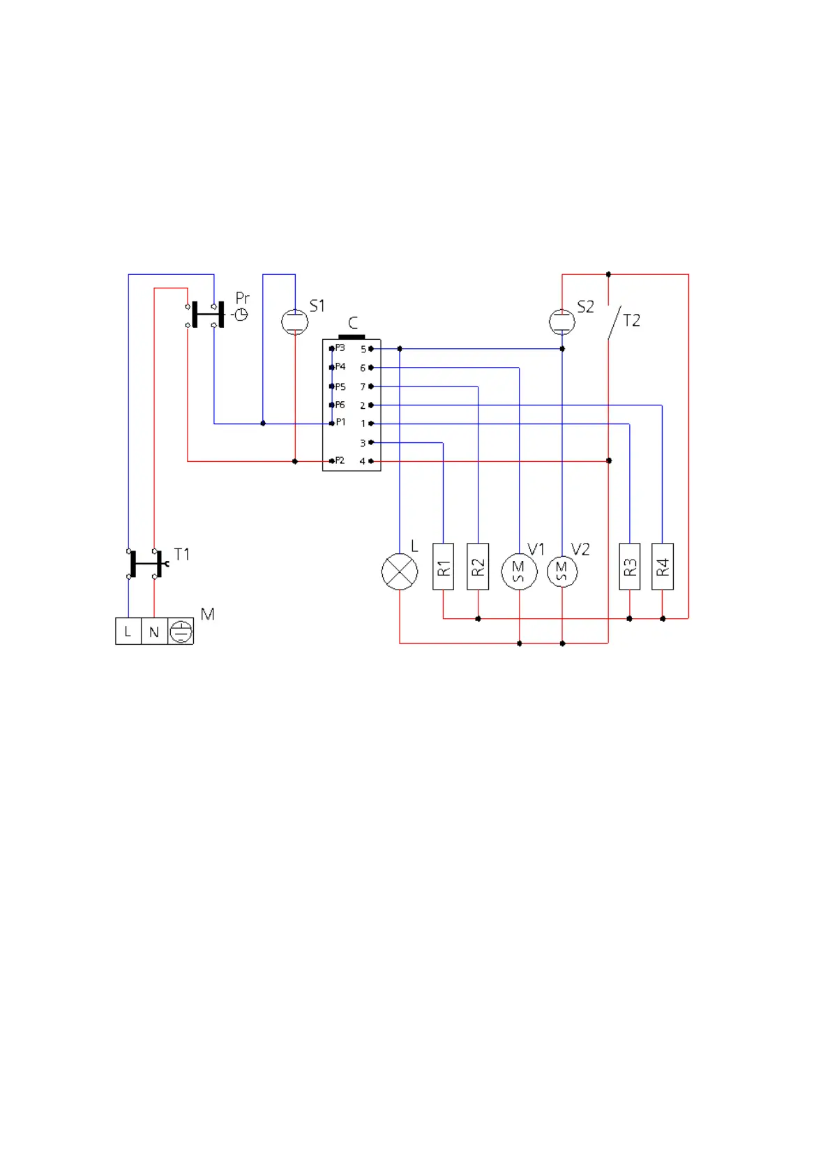
Key
KeyKey
Key
M Power supply terminal board
Pr "End of cooking" programmer
T1 Safety thermostat
T2 Oven thermostat
C Oven switch
S1 Programmer indicator light
S2 Thermostat indicator light
L Oven lighting lamp
R1 Grill heating-element
R2 Circular heating-element
R3 Bottom heating-element
R4 Top heating-element
V1 Radial motorised ventilator
V2 Tangential motorised ventilator

Related product manuals