EasyManua.ls Logo

TECNOEKA EKF423DUD - Wiring Layouts

TECNOEKA EKF423DUD
20 pages
Print Icon
To Next Page IconTo Next Page
To Next Page IconTo Next Page
To Previous Page IconTo Previous Page
To Previous Page IconTo Previous Page
Loading...
TECNOEKA Srl ______________________________________________________________ use and instruction manual
page. 16 ________________________________________________________________________________________
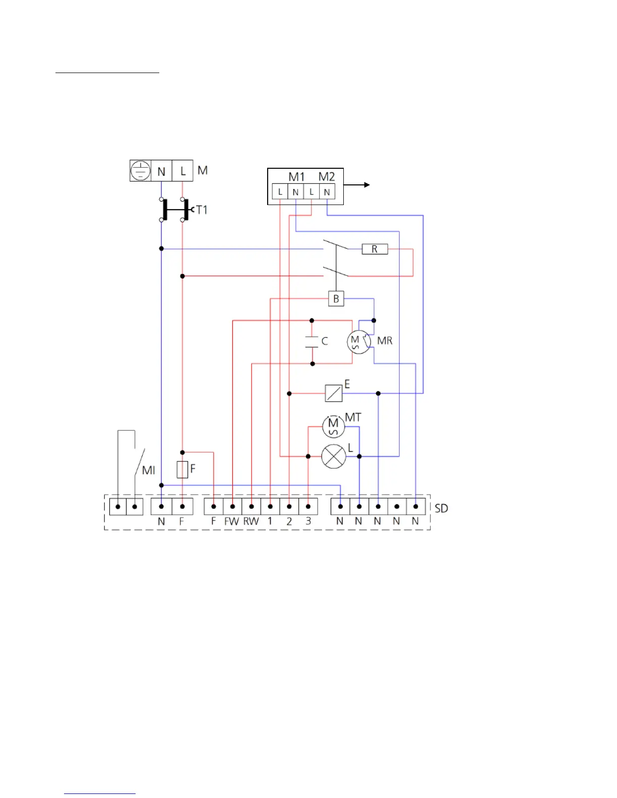
25. Wiring layouts
MODD. EKF 423 D UD - EKF 423 D UD/0/015 EKF 443 D UD
Key
M Power terminal board
T1 Safety thermostat
MI Door microswitch
SD Electronic card
E Humidifier solenoid-valve
F Fuse
B Contactor coil
L Oven lighting lamp
R Circular heating-element
MR Oven motorised ventilator
MT Tangential motorised ventilator
C Capacitor
Only for mod. EKF 423 DUD/0/015

Related product manuals