EasyManua.ls Logo

Tecumseh Silesys - Page 31

Tecumseh Silesys
40 pages
Print Icon
To Next Page IconTo Next Page
To Next Page IconTo Next Page
To Previous Page IconTo Previous Page
To Previous Page IconTo Previous Page
Loading...
366430 / 04.2013_b
31/40
SILRG4467Z
SILRG4480Z
SILRG4492Z
SILRG4512Z
SILRG2426Z
SILRG2432Z
SILRG2440Z
SILRG2446Z
SILRG4445Y
SILRG4450Y
SILRG4460Y
SILRG4476Y
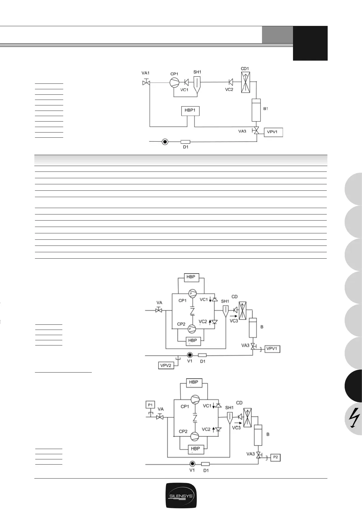
Ref Désignation Description Bezeichnung Designaciones Designazione обозначение
B1 Bouteille Receiver Sammler Acumulador Accumulatore Ресивер
CD1 Condenseur Condenser Verflüssiger Condensador Condensatore Kонденсатор
CPx Compresseur Compressor Verdichter Compresor Compressore Kомпрессор
D1 Déshydrateur Drier Trockner Deshidratador Disidratatore Фильтр-осушитель
HBPx Pressostat haute High and low HD/ND Pressostat Presostato alta y baja presión Pressostato alta e bassa pressione Релевысокогои
et basse pression pressure switch Hизкогодавления
Px Transducteur de pression Pression transducer Druckumsetzer Transductor de presión Trasduttore di pressione датчик давления
SH1 Séparateur d’huile Oil separator Ölabscheider Separador de aceite Separatore d’olio Отделитель масла
S1 Silencieux de refoulement Discharge line muffler Druckseitiger Schalldämpfer Silencioso de impulsión Moffola di aspirazione Глушитель на нагнетании
V1 Voyant liquide Sight glass Schauglas Minilla Spia liquido Смотровое стекло
VA1 Vanne aspiration Suction valve Saugventil Válvula de aspiración Valvola di aspirazione Вентиль на всасывании
VA2 Vanne refoulement Discharge valve Druckventil Válvula de descarga Valvola di mandata Вентиль на нагнетании
VA3 Vanne départ bouteille Liquid valve Ausgangsventil Sammler Válvula salida acumulador Valvola di uscita accumulatore Жидкостной вентиль
VCx Clapet anti retour Non return valve Rückschlagventil Anti-retomo Clapet anti ritimo Обратный клапан
VPVx Variateur proportionnel de vitesse Fan speed control Drehzahlregler Variador de velocidad presostatico Variatore di velocita pressostatico Вариатор скорости
Schémas frigorifiques
|
Refrigeration schematic
|
Kältekreislauf
|
Esquema frigorífico
|
Schema frigorifero
| схемы холодильного контура
FR
ENDEESIT
RU
Français English Deutsch Español Italiano
РУССКИЙ ЯЗЫК
ANNEXE
2
ANNEXES
SILAGD4590Z
SILAGD4610Z
SILAGD4612Z
SILAGD4614Z
SILAGD4615Z
SILVS9548Z
SILVS9556Z
SILVS9572Z
SILVS9588Z

Table of Contents

Related product manuals