EasyManua.ls Logo

TEDA XQ140 - Page 51

TEDA XQ140
57 pages
Print Icon
To Next Page IconTo Next Page
To Next Page IconTo Next Page
To Previous Page IconTo Previous Page
To Previous Page IconTo Previous Page
Loading...
MODEL XQ140/20 HYDRAULIC POWER TONG OPERATION MANUAL
YANCHENG TEDA DRILLING & PRODUCTION EQUIPMENT CO.,LTD
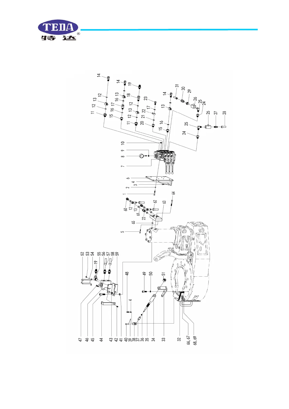
10.15Hydraulic control and safety gate control device and parts list (Fig.10.15,Table
10.15)
Fig.10.15

Related product manuals